Murray 309003x99NA - B&S/ 30" Mid-Engine Rider (2004) (AAFES) Electrical System Pièces détachées
Electrical System 309003x99NA - B&S/Murray 30" Mid-Engine Rider (2004) (AAFES)

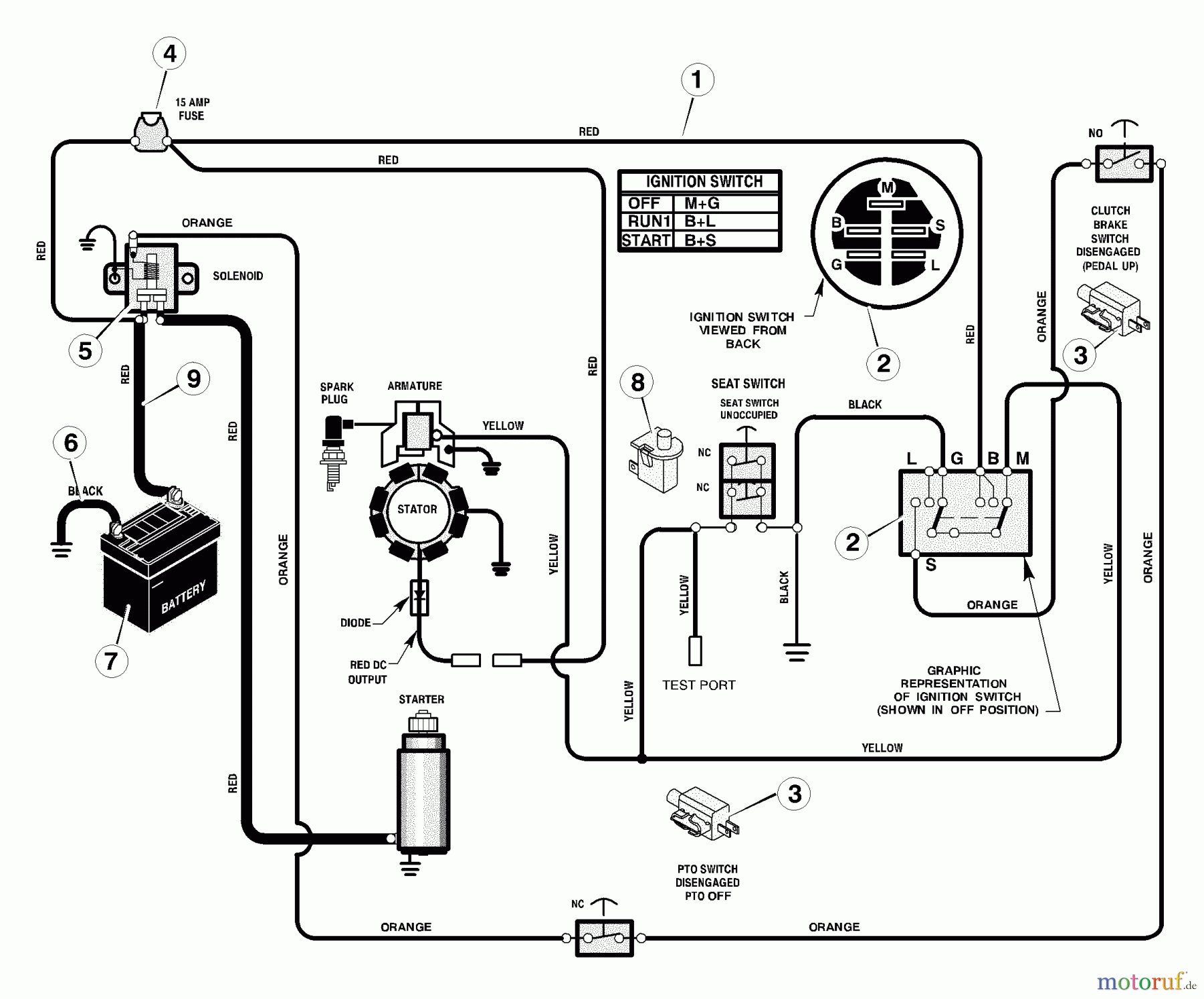
Vous trouverez ici le dessin de la pièce de rechange pour Murray Reitermäher 309003x99NA - B&S/Murray 30" Mid-Engine Rider (2004) (AAFES) Electrical System. Sélectionnez la pièce de rechange requise dans la liste des pièces de rechange de votre appareil Murray Reitermäher 309003x99NA - B&S/Murray 30" Mid-Engine Rider (2004) (AAFES) Electrical System et commandez simplement en ligne. De nombreuses pièces de rechange Murray nous gardons en permanence dans notre entrepôt pour vous.


Gestion de qualité
Aidez-nous à améliorer cette page. Informez-nous de toute erreur que vous trouverez.

