Murray 309008x92A - B&S/ 30" Mid-Engine Rider (2005) (Walmart) Motion Drive Pièces détachées
Motion Drive 309008x92A - B&S/Murray 30" Mid-Engine Rider (2005) (Walmart)

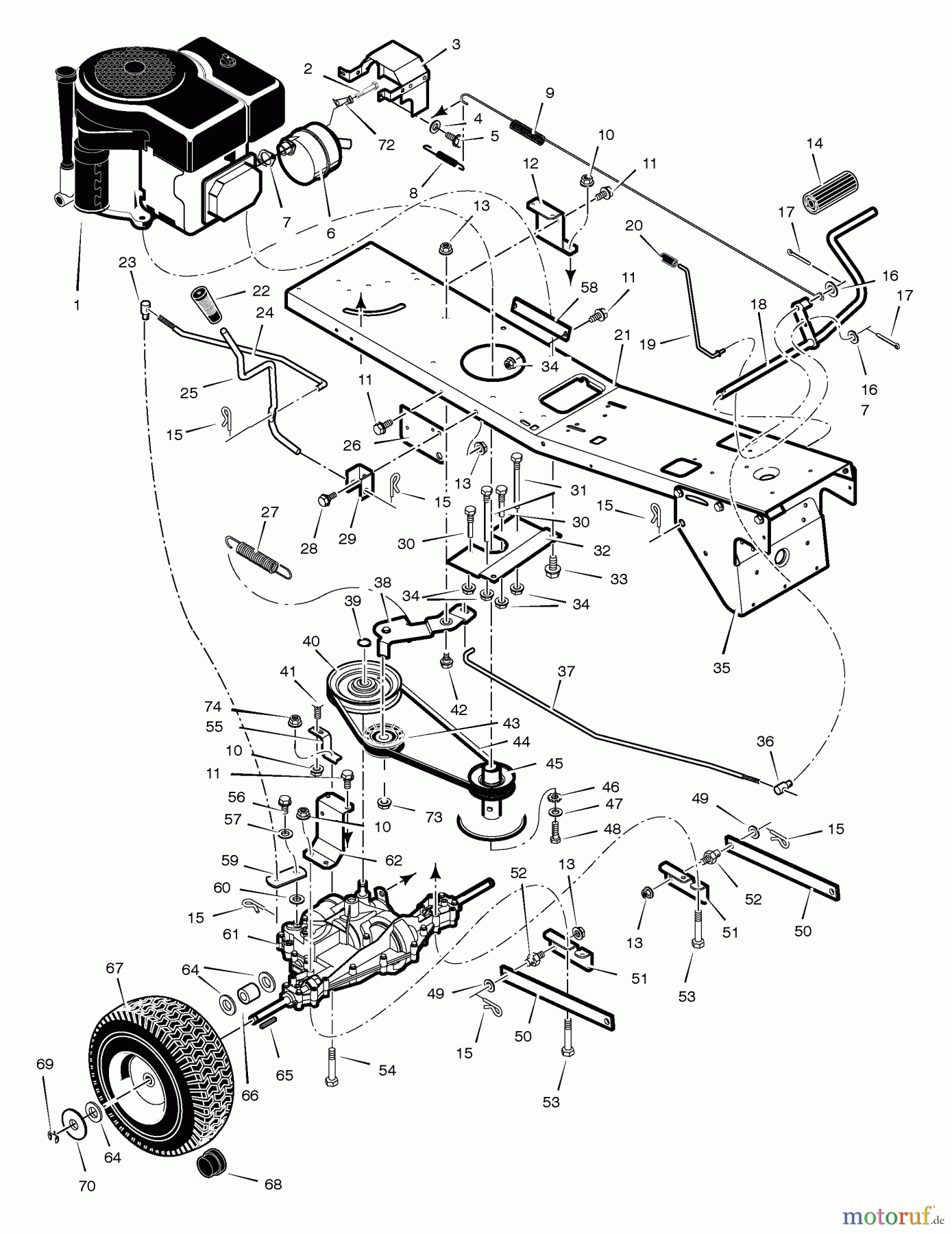
Vous trouverez ici le dessin de la pièce de rechange pour Murray Reitermäher 309008x92A - B&S/Murray 30" Mid-Engine Rider (2005) (Walmart) Motion Drive. Sélectionnez la pièce de rechange requise dans la liste des pièces de rechange de votre appareil Murray Reitermäher 309008x92A - B&S/Murray 30" Mid-Engine Rider (2005) (Walmart) Motion Drive et commandez simplement en ligne. De nombreuses pièces de rechange Murray nous gardons en permanence dans notre entrepôt pour vous.





