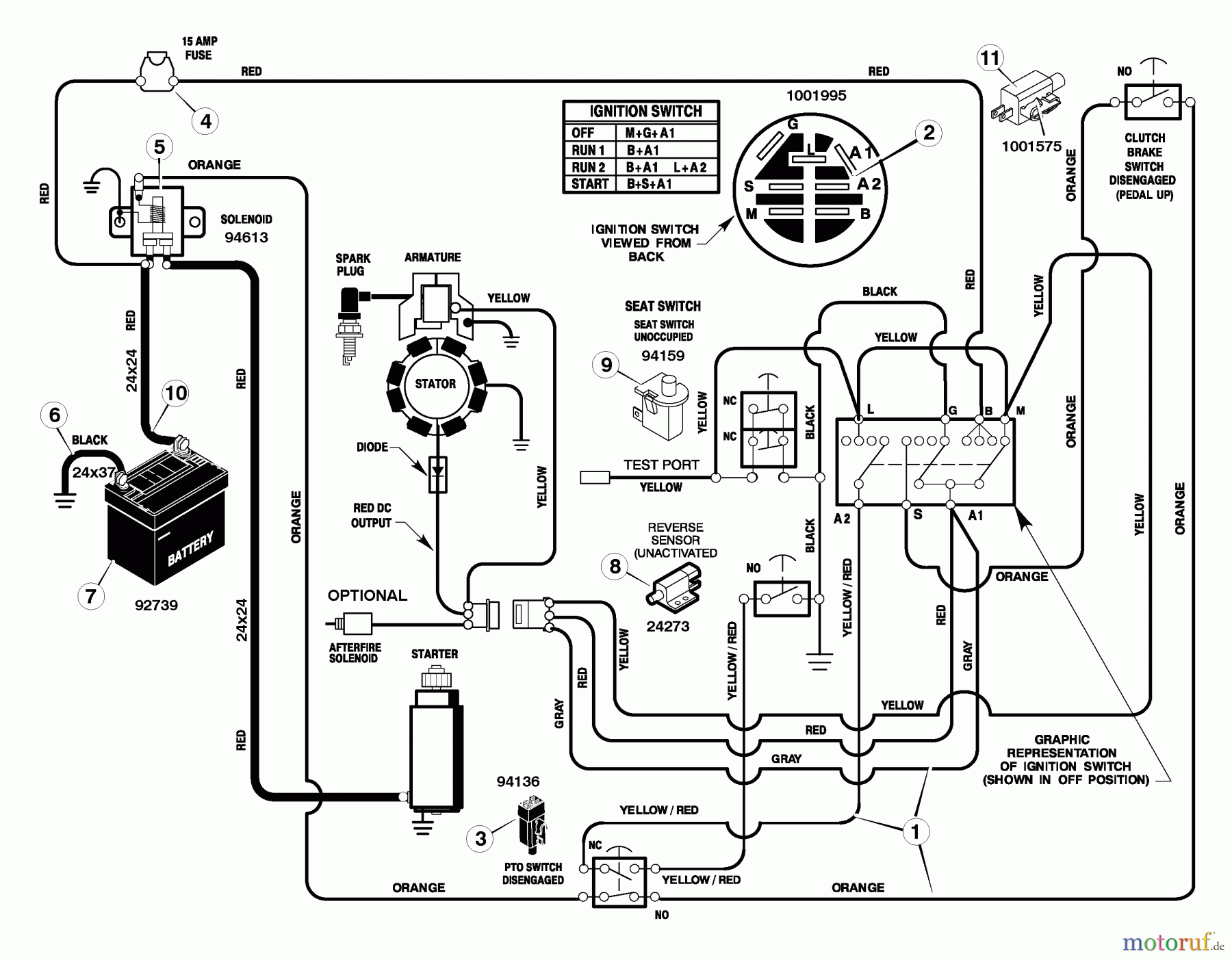
Murray 309008x92B - B&S/ 30" Mid-Engine Rider (2005) (Walmart) Electrical System Pièces détachées
Electrical System 309008x92B - B&S/Murray 30" Mid-Engine Rider (2005) (Walmart)

Vous trouverez ici le dessin de la pièce de rechange pour Murray Reitermäher 309008x92B - B&S/Murray 30" Mid-Engine Rider (2005) (Walmart) Electrical System. Sélectionnez la pièce de rechange requise dans la liste des pièces de rechange de votre appareil Murray Reitermäher 309008x92B - B&S/Murray 30" Mid-Engine Rider (2005) (Walmart) Electrical System et commandez simplement en ligne. De nombreuses pièces de rechange Murray nous gardons en permanence dans notre entrepôt pour vous.



