Murray 309029x92NA - B&S/ 30" Rear Engine Rider (2003) (Walmart) Pièces détachées
309029x92NA - B&S/Murray 30" Rear Engine Rider (2003) (Walmart) Reitermäher
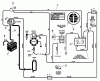
Vous trouverez ici le dessin de la pièce de rechange pour Murray Reitermäher 309029x92NA - B&S/Murray 30" Rear Engine Rider (2003) (Walmart). Sélectionnez la pièce de rechange requise dans la liste des pièces de rechange de votre appareil Murray Reitermäher 309029x92NA - B&S/Murray 30" Rear Engine Rider (2003) (Walmart) et commandez simplement en ligne. De nombreuses pièces de rechange Murray nous gardons en permanence dans notre entrepôt pour vous.


Gestion de qualité
Aidez-nous à améliorer cette page. Informez-nous de toute erreur que vous trouverez.








