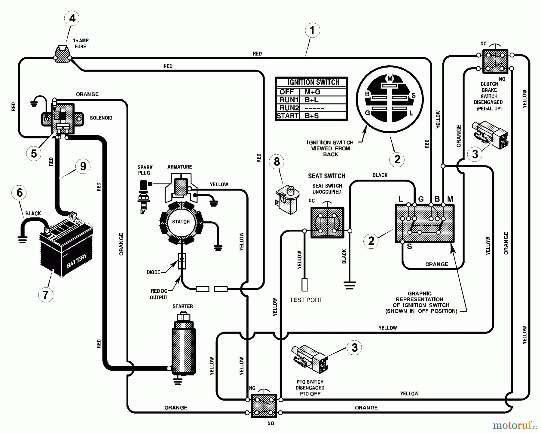
Murray 309304x31B - Scotts 30" Mid-Engine Rider (2002) (Home Depot) Electrical System Pièces détachées
Electrical System 309304x31B - Scotts 30" Mid-Engine Rider (2002) (Home Depot)

Vous trouverez ici le dessin de la pièce de rechange pour Murray Reitermäher 309304x31B - Scotts 30" Mid-Engine Rider (2002) (Home Depot) Electrical System. Sélectionnez la pièce de rechange requise dans la liste des pièces de rechange de votre appareil Murray Reitermäher 309304x31B - Scotts 30" Mid-Engine Rider (2002) (Home Depot) Electrical System et commandez simplement en ligne. De nombreuses pièces de rechange Murray nous gardons en permanence dans notre entrepôt pour vous.



