Murray 309304x8A - Scotts 30" Mid-Engine Riders (2001) (Home Depot) Electrical System Pièces détachées
Electrical System 309304x8A - Scotts 30" Mid-Engine Riders (2001) (Home Depot)

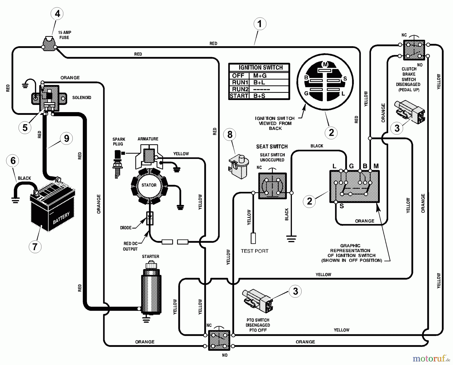
Vous trouverez ici le dessin de la pièce de rechange pour Murray Reitermäher 309304x8A - Scotts 30" Mid-Engine Riders (2001) (Home Depot) Electrical System. Sélectionnez la pièce de rechange requise dans la liste des pièces de rechange de votre appareil Murray Reitermäher 309304x8A - Scotts 30" Mid-Engine Riders (2001) (Home Depot) Electrical System et commandez simplement en ligne. De nombreuses pièces de rechange Murray nous gardons en permanence dans notre entrepôt pour vous.


Gestion de qualité
Aidez-nous à améliorer cette page. Informez-nous de toute erreur que vous trouverez.

