Murray 309304x8D - Scotts 30" Mid-Engine Rider (2002) (Home Depot) Pièces détachées
309304x8D - Scotts 30" Mid-Engine Rider (2002) (Home Depot) Reitermäher
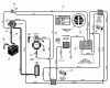
Vous trouverez ici le dessin de la pièce de rechange pour Murray Reitermäher 309304x8D - Scotts 30" Mid-Engine Rider (2002) (Home Depot). Sélectionnez la pièce de rechange requise dans la liste des pièces de rechange de votre appareil Murray Reitermäher 309304x8D - Scotts 30" Mid-Engine Rider (2002) (Home Depot) et commandez simplement en ligne. De nombreuses pièces de rechange Murray nous gardons en permanence dans notre entrepôt pour vous.


Gestion de qualité
Aidez-nous à améliorer cette page. Informez-nous de toute erreur que vous trouverez.








