Murray 218910x43F - Yard King 21" Walk-Behind Mower (2004) Engine Mount Pièces détachées
Engine Mount 218910x43F - Yard King 21" Walk-Behind Mower (2004)

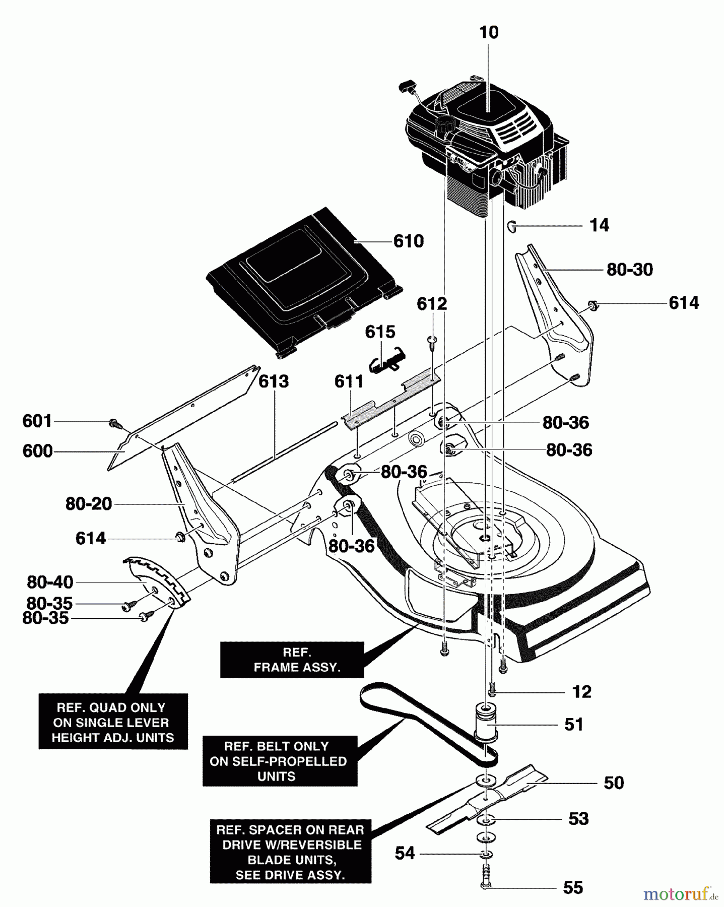
Vous trouverez ici le dessin de la pièce de rechange pour Murray Rasenmäher 218910x43F - Yard King 21" Walk-Behind Mower (2004) Engine Mount. Sélectionnez la pièce de rechange requise dans la liste des pièces de rechange de votre appareil Murray Rasenmäher 218910x43F - Yard King 21" Walk-Behind Mower (2004) Engine Mount et commandez simplement en ligne. De nombreuses pièces de rechange Murray nous gardons en permanence dans notre entrepôt pour vous.


Gestion de qualité
Aidez-nous à améliorer cette page. Informez-nous de toute erreur que vous trouverez.

