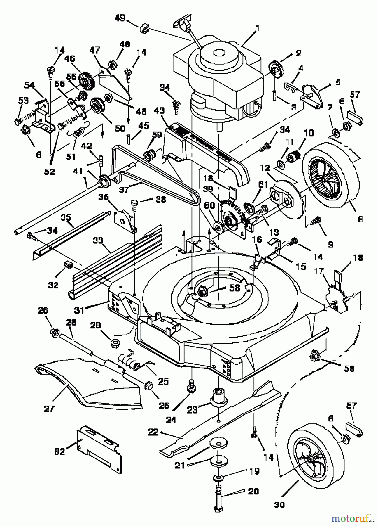
Murray 22767x41E - B&S/ 22" Walk-Behind Mower (1997) (Service Merchandise) Mower Housing Assembly Pièces détachées
Mower Housing Assembly 22767x41E - B&S/Murray 22" Walk-Behind Mower (1997) (Service Merchandise)

Vous trouverez ici le dessin de la pièce de rechange pour Murray Rasenmäher 22767x41E - B&S/Murray 22" Walk-Behind Mower (1997) (Service Merchandise) Mower Housing Assembly. Sélectionnez la pièce de rechange requise dans la liste des pièces de rechange de votre appareil Murray Rasenmäher 22767x41E - B&S/Murray 22" Walk-Behind Mower (1997) (Service Merchandise) Mower Housing Assembly et commandez simplement en ligne. De nombreuses pièces de rechange Murray nous gardons en permanence dans notre entrepôt pour vous.


Gestion de qualité
Aidez-nous à améliorer cette page. Informez-nous de toute erreur que vous trouverez.


