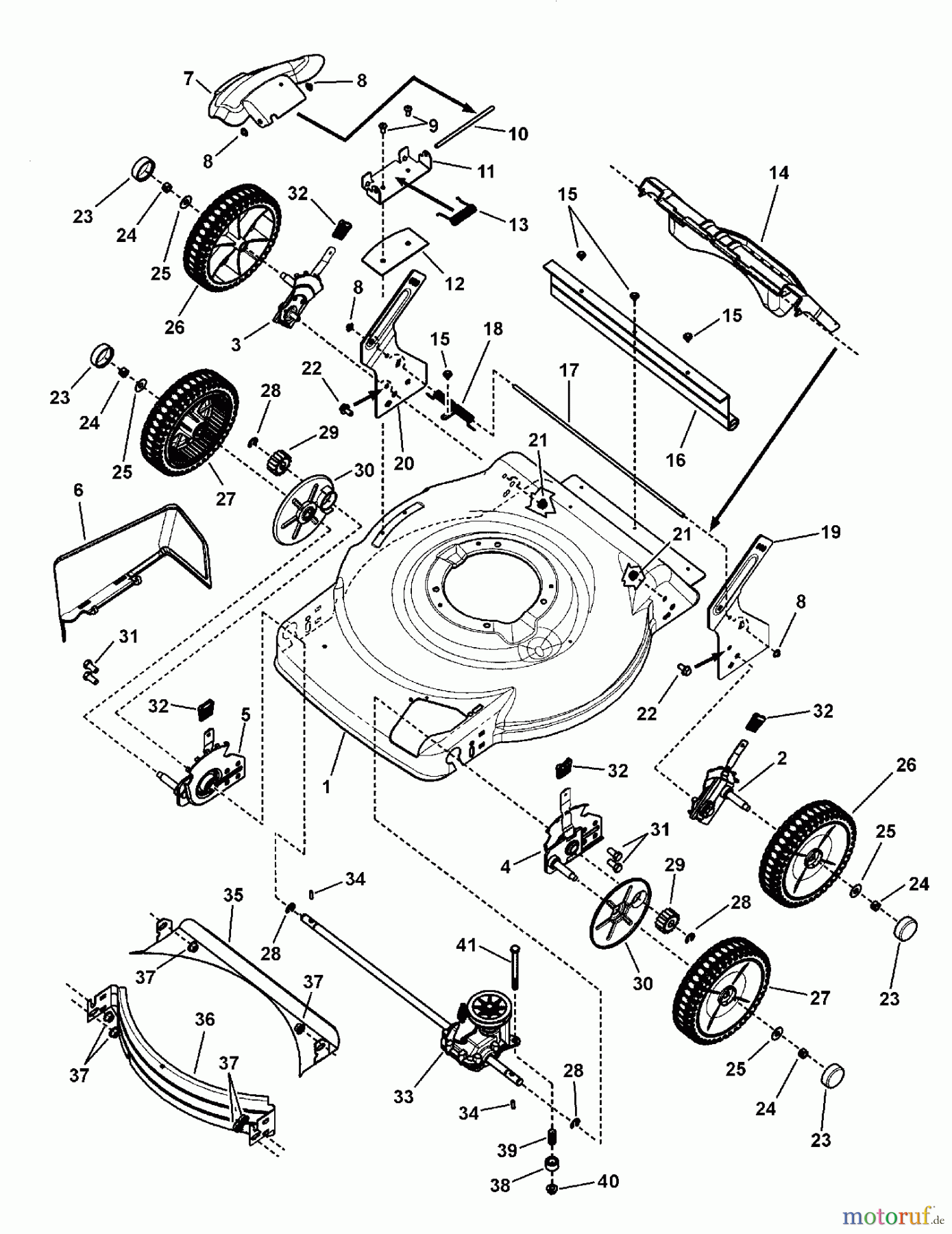
Murray EBTP2265 (7800693) - Brute 22" Walk-Behind Mower (2010) Deck Assembly (Standard Wheel) Pièces détachées
Deck Assembly (Standard Wheel) EBTP2265 (7800693) - Brute 22" Walk-Behind Mower (2010)

Vous trouverez ici le dessin de la pièce de rechange pour Murray Rasenmäher EBTP2265 (7800693) - Brute 22" Walk-Behind Mower (2010) Deck Assembly (Standard Wheel). Sélectionnez la pièce de rechange requise dans la liste des pièces de rechange de votre appareil Murray Rasenmäher EBTP2265 (7800693) - Brute 22" Walk-Behind Mower (2010) Deck Assembly (Standard Wheel) et commandez simplement en ligne. De nombreuses pièces de rechange Murray nous gardons en permanence dans notre entrepôt pour vous.


Gestion de qualité
Aidez-nous à améliorer cette page. Informez-nous de toute erreur que vous trouverez.


