Snapper 7080426 - 19" Lady Garden Single Stage Snowthrower Covers, Engine Pièces détachées
Covers, Engine 7080426 - Snapper 19" Lady Garden Single Stage Snowthrower

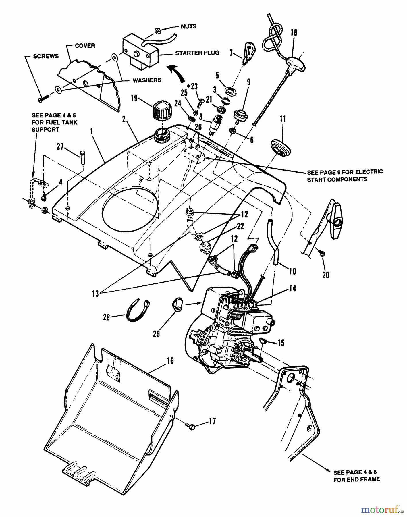
Vous trouverez ici le dessin de la pièce de rechange pour Snapper Zubehör, Schnee 7080426 - Snapper 19" Lady Garden Single Stage Snowthrower Covers, Engine. Sélectionnez la pièce de rechange requise dans la liste des pièces de rechange de votre appareil Snapper Zubehör, Schnee 7080426 - Snapper 19" Lady Garden Single Stage Snowthrower Covers, Engine et commandez simplement en ligne. De nombreuses pièces de rechange Snapper nous gardons en permanence dans notre entrepôt pour vous.


Gestion de qualité
Aidez-nous à améliorer cette page. Informez-nous de toute erreur que vous trouverez.

