Snapper 7082099 - 30" RER Snowthrower Attachment Extender Kit #60514 - Required for 33" & 42" Riders Pièces détachées
Extender Kit #60514 - Required for 33" & 42" Riders 7082099 - Snapper 30" RER Snowthrower Attachment

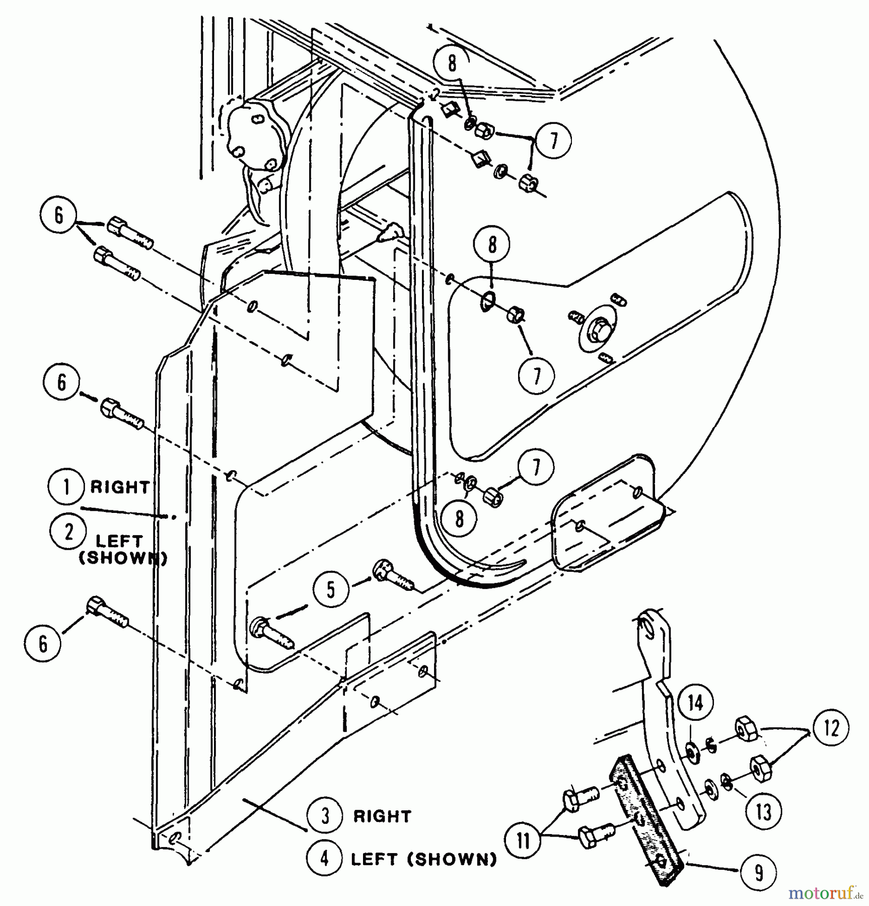
Vous trouverez ici le dessin de la pièce de rechange pour Snapper Zubehör, Schnee 7082099 - Snapper 30" RER Snowthrower Attachment Extender Kit #60514 - Required for 33" & 42" Riders. Sélectionnez la pièce de rechange requise dans la liste des pièces de rechange de votre appareil Snapper Zubehör, Schnee 7082099 - Snapper 30" RER Snowthrower Attachment Extender Kit #60514 - Required for 33" & 42" Riders et commandez simplement en ligne. De nombreuses pièces de rechange Snapper nous gardons en permanence dans notre entrepôt pour vous.


Gestion de qualité
Aidez-nous à améliorer cette page. Informez-nous de toute erreur que vous trouverez.

