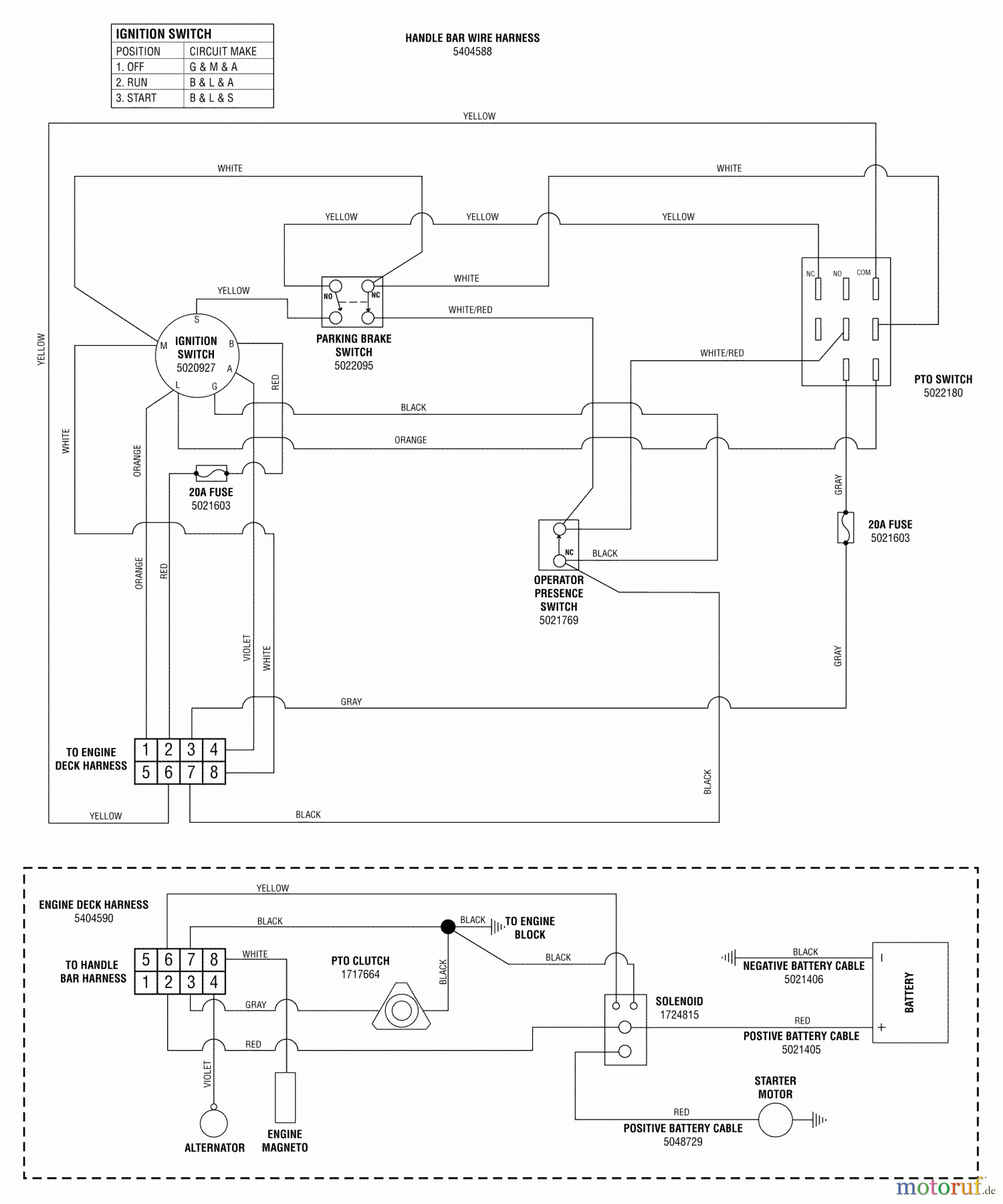
Snapper HC32RDKAV13ECE (5900846) - 32" Wide-Area Walk-Behind Mower, 13 HP, Rear Discharge, Hydro Drive Electrical Schematic - Electric Start (S/N: 2013316440 & Above) Pièces détachées
Electrical Schematic - Electric Start (S/N: 2013316440 & Above) HC32RDKAV13ECE (5900846) - Snapper 32" Wide-Area Walk-Behind Mower, 13 HP, Rear Discharge, Hydro Drive

Vous trouverez ici le dessin de la pièce de rechange pour Snapper Rasenmäher für Großflächen HC32RDKAV13ECE (5900846) - Snapper 32" Wide-Area Walk-Behind Mower, 13 HP, Rear Discharge, Hydro Drive Electrical Schematic - Electric Start (S/N: 2013316440 & Above). Sélectionnez la pièce de rechange requise dans la liste des pièces de rechange de votre appareil Snapper Rasenmäher für Großflächen HC32RDKAV13ECE (5900846) - Snapper 32" Wide-Area Walk-Behind Mower, 13 HP, Rear Discharge, Hydro Drive Electrical Schematic - Electric Start (S/N: 2013316440 & Above) et commandez simplement en ligne. De nombreuses pièces de rechange Snapper nous gardons en permanence dans notre entrepôt pour vous.


Gestion de qualité
Aidez-nous à améliorer cette page. Informez-nous de toute erreur que vous trouverez.

