Snapper 355ZB2654, DLR (5900768) - 54" Zero-Turn Mower, 26 HP, ZTR 355 Rear-Engine Riders Series Engine & PTO Group Pièces détachées
Engine & PTO Group 355ZB2654, DLR (5900768) - Snapper 54" Zero-Turn Mower, 26 HP, ZTR 355 Rear-Engine Riders Series

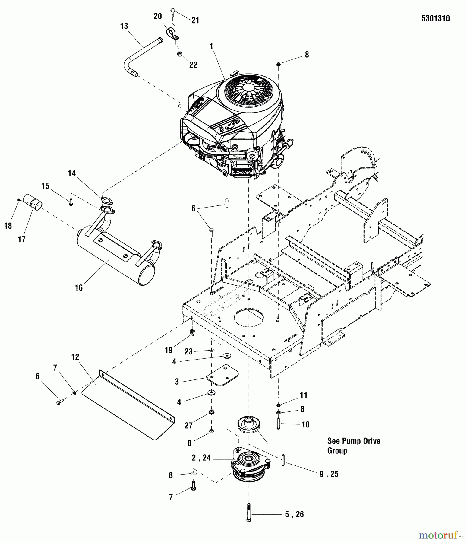
Vous trouverez ici le dessin de la pièce de rechange pour Snapper Nullwendekreismäher, Zero-Turn 355ZB2654, DLR (5900768) - Snapper 54" Zero-Turn Mower, 26 HP, ZTR 355 Rear-Engine Riders Series Engine & PTO Group. Sélectionnez la pièce de rechange requise dans la liste des pièces de rechange de votre appareil Snapper Nullwendekreismäher, Zero-Turn 355ZB2654, DLR (5900768) - Snapper 54" Zero-Turn Mower, 26 HP, ZTR 355 Rear-Engine Riders Series Engine & PTO Group et commandez simplement en ligne. De nombreuses pièces de rechange Snapper nous gardons en permanence dans notre entrepôt pour vous.


Gestion de qualité
Aidez-nous à améliorer cette page. Informez-nous de toute erreur que vous trouverez.

