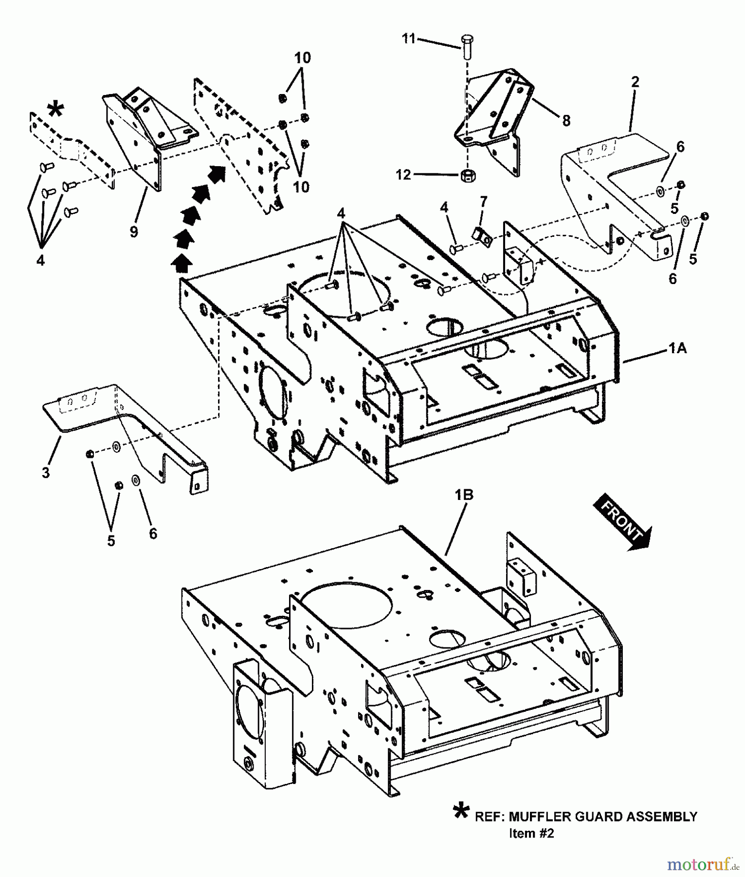
Snapper NZM21523KWV (7800021) - 52" Zero-Turn Mower, 21 HP, Kawasaki, Mid Mount, Z-Rider Commercial Lawn & Turf Series 3 REAR FRAME & TANK BRACKETS Pièces détachées
REAR FRAME & TANK BRACKETS NZM21523KWV (7800021) - Snapper 52" Zero-Turn Mower, 21 HP, Kawasaki, Mid Mount, Z-Rider Commercial Lawn & Turf Series 3

Vous trouverez ici le dessin de la pièce de rechange pour Snapper Nullwendekreismäher, Zero-Turn NZM21523KWV (7800021) - Snapper 52" Zero-Turn Mower, 21 HP, Kawasaki, Mid Mount, Z-Rider Commercial Lawn & Turf Series 3 REAR FRAME & TANK BRACKETS. Sélectionnez la pièce de rechange requise dans la liste des pièces de rechange de votre appareil Snapper Nullwendekreismäher, Zero-Turn NZM21523KWV (7800021) - Snapper 52" Zero-Turn Mower, 21 HP, Kawasaki, Mid Mount, Z-Rider Commercial Lawn & Turf Series 3 REAR FRAME & TANK BRACKETS et commandez simplement en ligne. De nombreuses pièces de rechange Snapper nous gardons en permanence dans notre entrepôt pour vous.


Gestion de qualité
Aidez-nous à améliorer cette page. Informez-nous de toute erreur que vous trouverez.

