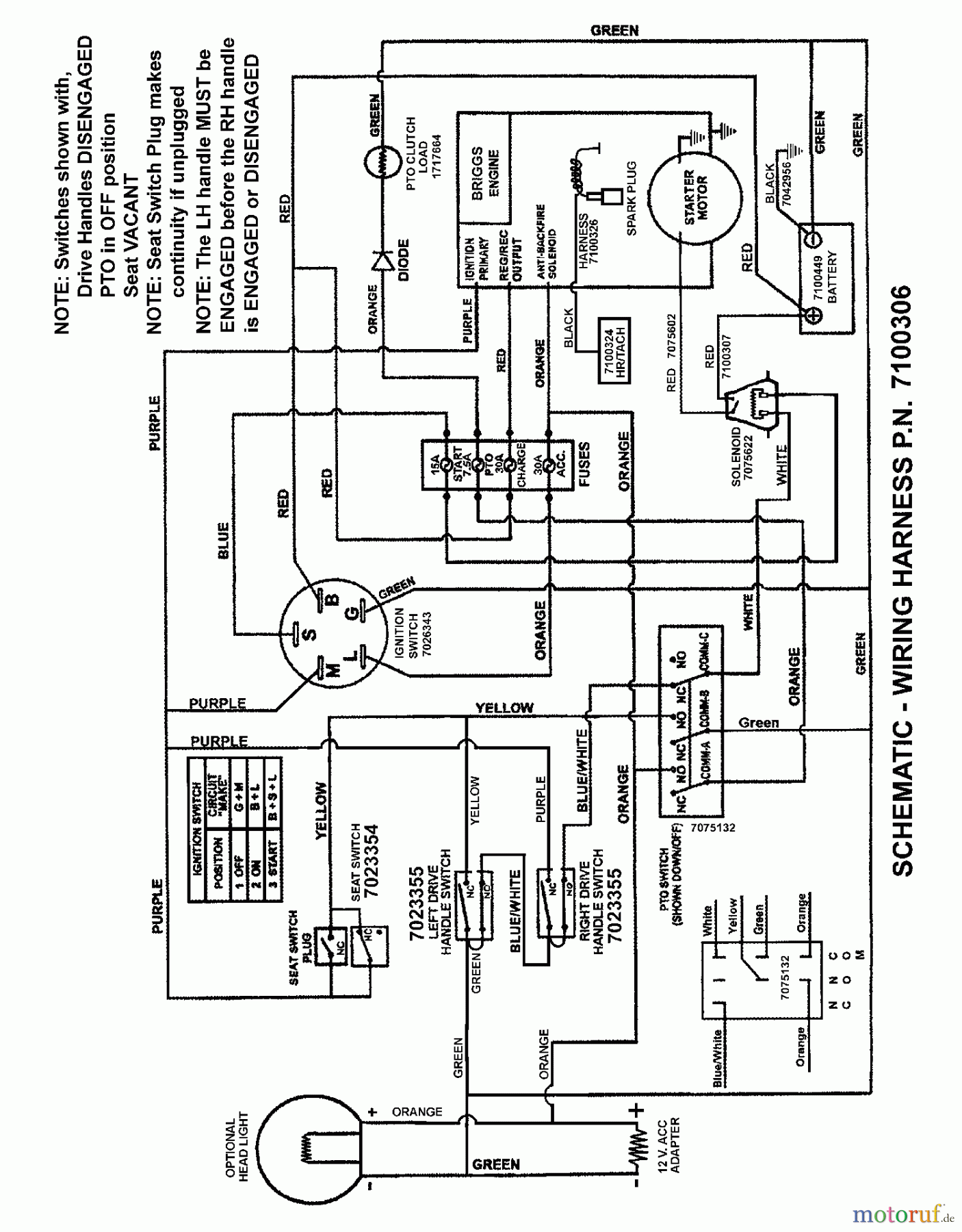
Snapper RZT22501BVE2 (7800153) - 50" Zero-Turn Mower, 22 HP, Twin Stick, RZT Series 1 WIRING SCHEMATIC (Briggs Engine) Pièces détachées
WIRING SCHEMATIC (Briggs Engine) RZT22501BVE2 (7800153) - Snapper 50" Zero-Turn Mower, 22 HP, Twin Stick, RZT Series 1

Vous trouverez ici le dessin de la pièce de rechange pour Snapper Nullwendekreismäher, Zero-Turn RZT22501BVE2 (7800153) - Snapper 50" Zero-Turn Mower, 22 HP, Twin Stick, RZT Series 1 WIRING SCHEMATIC (Briggs Engine). Sélectionnez la pièce de rechange requise dans la liste des pièces de rechange de votre appareil Snapper Nullwendekreismäher, Zero-Turn RZT22501BVE2 (7800153) - Snapper 50" Zero-Turn Mower, 22 HP, Twin Stick, RZT Series 1 WIRING SCHEMATIC (Briggs Engine) et commandez simplement en ligne. De nombreuses pièces de rechange Snapper nous gardons en permanence dans notre entrepôt pour vous.
| Pos. | Numéro d'article | Description | |
| BS7100306SM | |||


Gestion de qualité
Aidez-nous à améliorer cette page. Informez-nous de toute erreur que vous trouverez.

