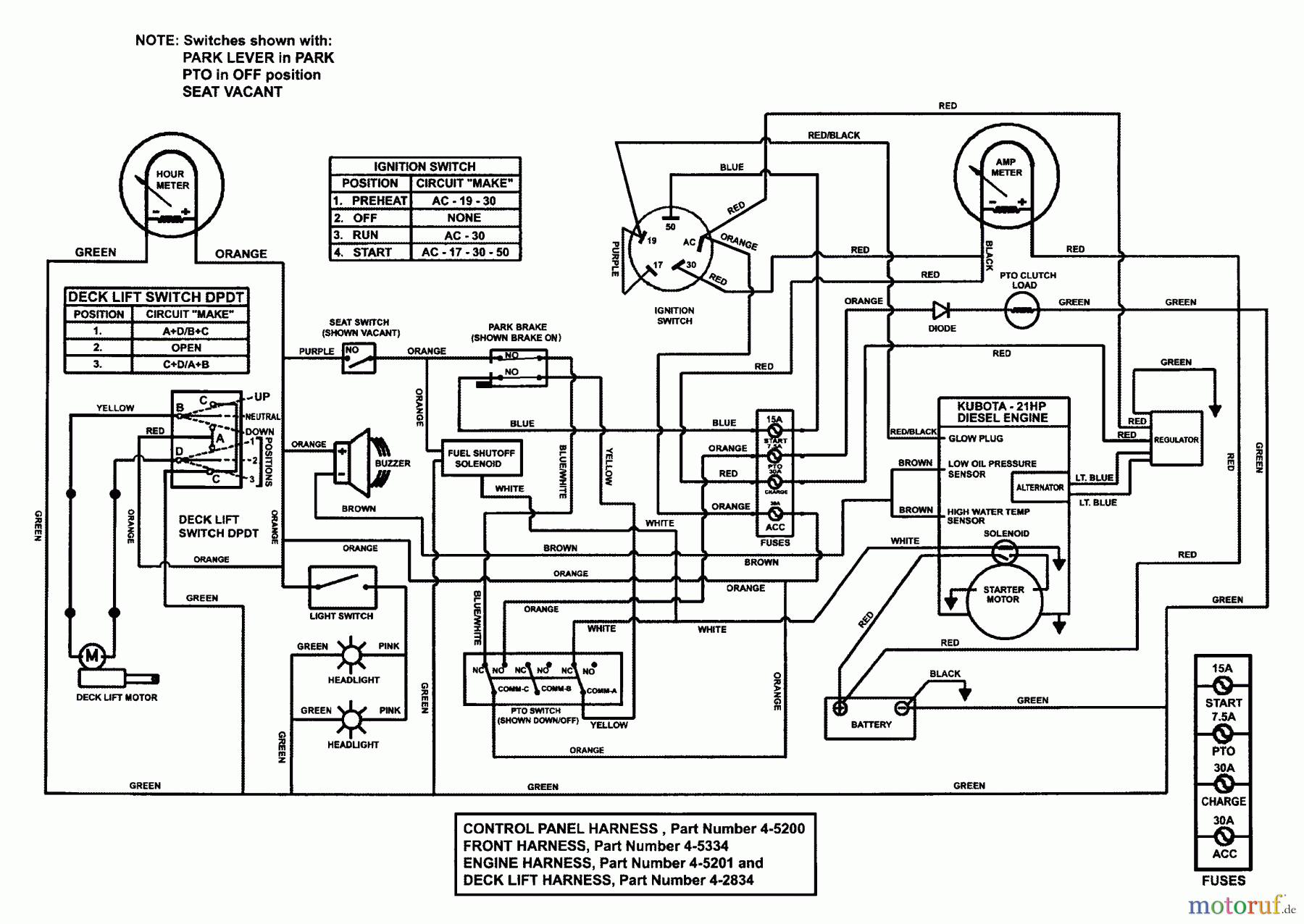
Snapper ZF2301GKU (84576) - 23 HP Zero-Turn Mower, Kubota, Out Front, Z-Rider Series 1 Wiring Schematic (Diesel Only) Pièces détachées
Wiring Schematic (Diesel Only) ZF2301GKU (84576) - Snapper 23 HP Zero-Turn Mower, Kubota, Out Front, Z-Rider Series 1

Vous trouverez ici le dessin de la pièce de rechange pour Snapper Nullwendekreismäher, Zero-Turn ZF2301GKU (84576) - Snapper 23 HP Zero-Turn Mower, Kubota, Out Front, Z-Rider Series 1 Wiring Schematic (Diesel Only). Sélectionnez la pièce de rechange requise dans la liste des pièces de rechange de votre appareil Snapper Nullwendekreismäher, Zero-Turn ZF2301GKU (84576) - Snapper 23 HP Zero-Turn Mower, Kubota, Out Front, Z-Rider Series 1 Wiring Schematic (Diesel Only) et commandez simplement en ligne. De nombreuses pièces de rechange Snapper nous gardons en permanence dans notre entrepôt pour vous.
| Pos. | Numéro d'article | Description | |
| 45200 | BS7045200YP | (C) HARNESS, CONTROL | |
| 45334 | BS7045334YP | (C) HARNESS, FRONT, O | |
| 45201 | BS7045201YP | (C) HARNESS, ENGINE, | |
| 42834 | BS7042834YP | (C) HARNESS, DECK LIF | |


Gestion de qualité
Aidez-nous à améliorer cette page. Informez-nous de toute erreur que vous trouverez.

