Snapper ZT18440KH (5091000) - 44" Zero-Turn Mower, 18 HP, ZTR FastCut Series 0 44" & 50" Mower Deck - Housing, Arbors & Blades Group Pièces détachées
44" & 50" Mower Deck - Housing, Arbors & Blades Group ZT18440KH (5091000) - Snapper 44" Zero-Turn Mower, 18 HP, ZTR FastCut Series 0

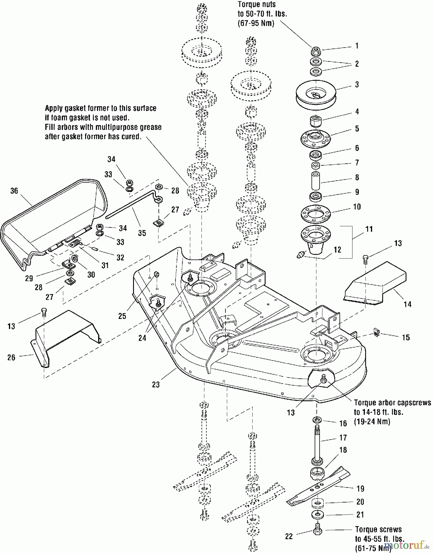
Vous trouverez ici le dessin de la pièce de rechange pour Snapper Nullwendekreismäher, Zero-Turn ZT18440KH (5091000) - Snapper 44" Zero-Turn Mower, 18 HP, ZTR FastCut Series 0 44" & 50" Mower Deck - Housing, Arbors & Blades Group. Sélectionnez la pièce de rechange requise dans la liste des pièces de rechange de votre appareil Snapper Nullwendekreismäher, Zero-Turn ZT18440KH (5091000) - Snapper 44" Zero-Turn Mower, 18 HP, ZTR FastCut Series 0 44" & 50" Mower Deck - Housing, Arbors & Blades Group et commandez simplement en ligne. De nombreuses pièces de rechange Snapper nous gardons en permanence dans notre entrepôt pour vous.


Gestion de qualité
Aidez-nous à améliorer cette page. Informez-nous de toute erreur que vous trouverez.



