Snapper L1226E (1695679) - 26" Snowthrower, 11.0 HP, Two Stage, Large Frame Engine Group - 11.5TP Pièces détachées
Engine Group - 11.5TP L1226E (1695679) - Snapper 26" Snowthrower, 11.0 HP, Two Stage, Large Frame

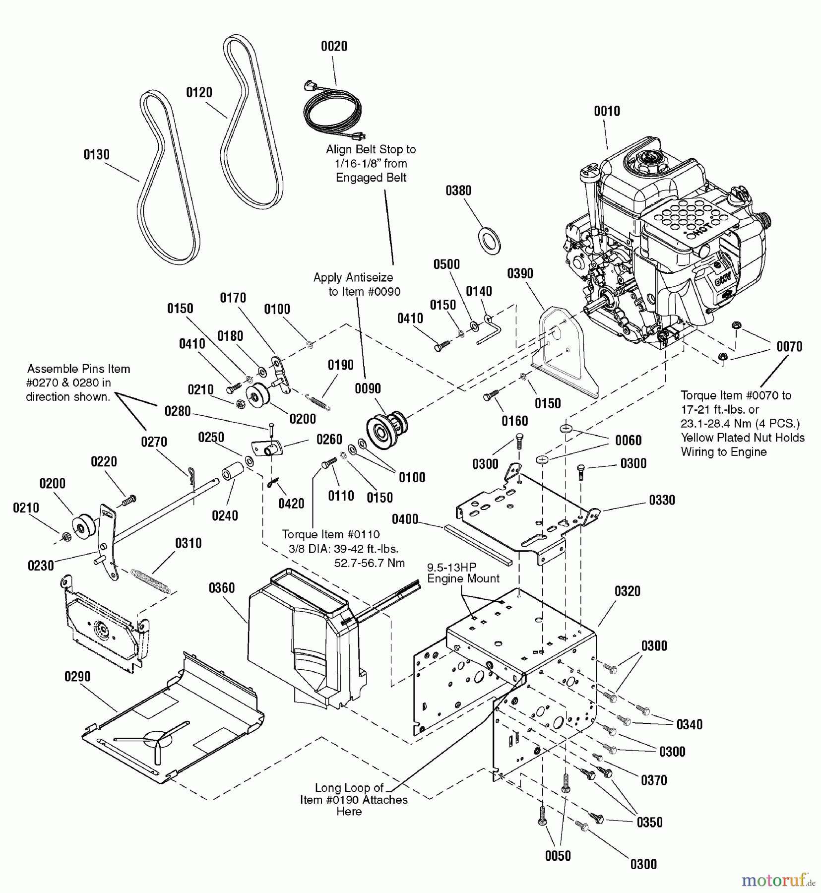
Vous trouverez ici le dessin de la pièce de rechange pour Snapper Schneefräsen L1226E (1695679) - Snapper 26" Snowthrower, 11.0 HP, Two Stage, Large Frame Engine Group - 11.5TP. Sélectionnez la pièce de rechange requise dans la liste des pièces de rechange de votre appareil Snapper Schneefräsen L1226E (1695679) - Snapper 26" Snowthrower, 11.0 HP, Two Stage, Large Frame Engine Group - 11.5TP et commandez simplement en ligne. De nombreuses pièces de rechange Snapper nous gardons en permanence dans notre entrepôt pour vous.


Gestion de qualité
Aidez-nous à améliorer cette page. Informez-nous de toute erreur que vous trouverez.




