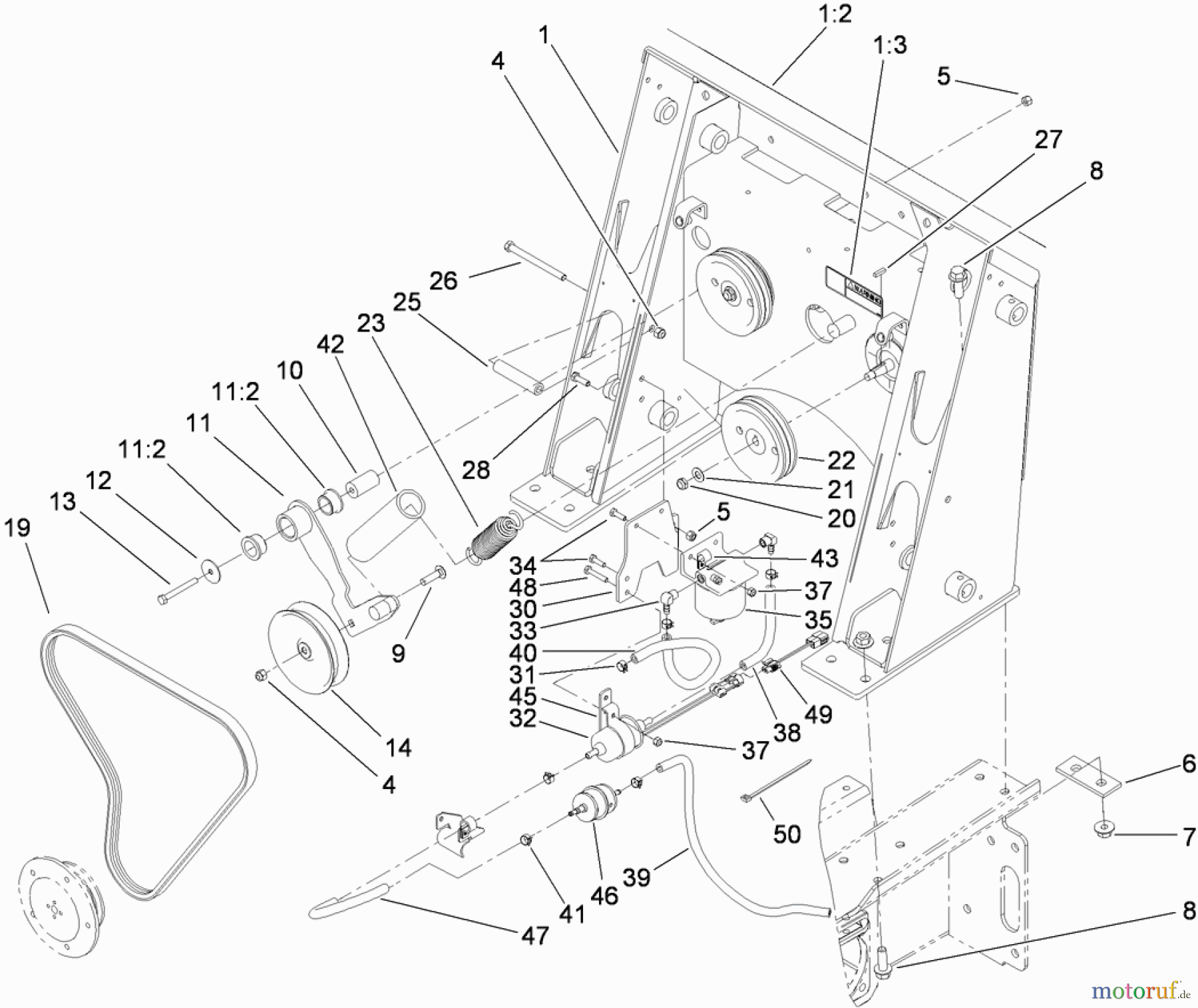
Compact Utility Loaders LOADER TOWER, FUEL PUMP AND DRIVE ASSEMBLY Pièces détachées
LOADER TOWER, FUEL PUMP AND DRIVE ASSEMBLY 22320 - Toro Dingo TX 525 Wide Track Compact Utility Loader (SN: 280000501 - 280999999) (2008)

Vous trouverez ici le dessin de la pièce de rechange pour Compact Utility Loaders 22320 - Toro Dingo TX 525 Wide Track Compact Utility Loader (SN: 280000501 - 280999999) (2008) LOADER TOWER, FUEL PUMP AND DRIVE ASSEMBLY. Sélectionnez la pièce de rechange requise dans la liste des pièces de rechange de votre appareil Compact Utility Loaders 22320 - Toro Dingo TX 525 Wide Track Compact Utility Loader (SN: 280000501 - 280999999) (2008) LOADER TOWER, FUEL PUMP AND DRIVE ASSEMBLY et commandez simplement en ligne. De nombreuses pièces de rechange Compact Utility Loaders nous gardons en permanence dans notre entrepôt pour vous.





