Rasenmäher Zubehör 48" SNOWTHROWER MODEL NO. 30570 (OPTIONAL) #2 Pièces détachées
48" SNOWTHROWER MODEL NO. 30570 (OPTIONAL) #2 30560 - Toro 52" Rear Discharge Mower (SN: SN: 30001 - 39999) (1983)

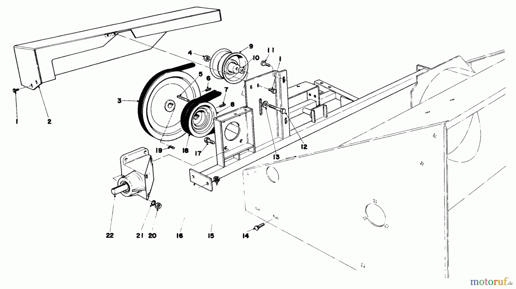
Vous trouverez ici le dessin de la pièce de rechange pour Rasenmäher Zubehör 30560 - Toro 52" Rear Discharge Mower (SN: SN: 30001 - 39999) (1983) 48" SNOWTHROWER MODEL NO. 30570 (OPTIONAL) #2. Sélectionnez la pièce de rechange requise dans la liste des pièces de rechange de votre appareil Rasenmäher Zubehör 30560 - Toro 52" Rear Discharge Mower (SN: SN: 30001 - 39999) (1983) 48" SNOWTHROWER MODEL NO. 30570 (OPTIONAL) #2 et commandez simplement en ligne. De nombreuses pièces de rechange Rasenmäher Zubehör nous gardons en permanence dans notre entrepôt pour vous.


Gestion de qualité
Aidez-nous à améliorer cette page. Informez-nous de toute erreur que vous trouverez.

