Toro 11-5700 - Electric Start Kit, 5 hp Snow STARTER KIT TECUMSEH MODEL NUMBER 179-72 (CANADIAN) Pièces détachées
STARTER KIT TECUMSEH MODEL NUMBER 179-72 (CANADIAN) 11-5700 - Toro Electric Start Kit, 5 hp Snow

Vous trouverez ici le dessin de la pièce de rechange pour Toro Neu Accessories, Snow 11-5700 - Toro Electric Start Kit, 5 hp Snow STARTER KIT TECUMSEH MODEL NUMBER 179-72 (CANADIAN). Sélectionnez la pièce de rechange requise dans la liste des pièces de rechange de votre appareil Toro Neu Accessories, Snow 11-5700 - Toro Electric Start Kit, 5 hp Snow STARTER KIT TECUMSEH MODEL NUMBER 179-72 (CANADIAN) et commandez simplement en ligne. De nombreuses pièces de rechange Toro nous gardons en permanence dans notre entrepôt pour vous.
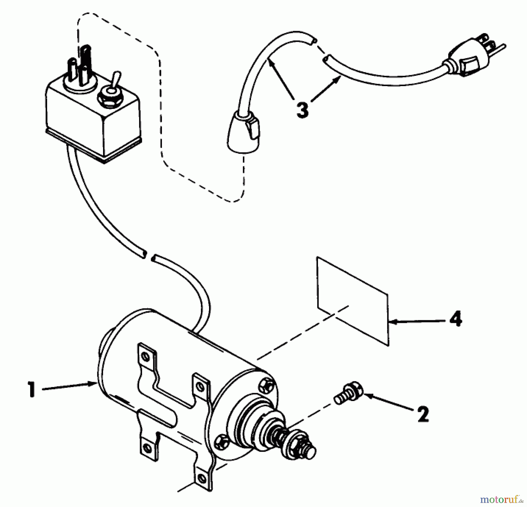
| Pos. | Numéro d'article | Description | |
| 1 | TC33328D | ELEKTROSTARTER | |
| 2 | TC30063 | SCHRAUBE | |
| 3 | TC32450B | ELEKTRO-LEITUNG | |
| 4 | TC32453 | ||
| TR115710-01 | BRACKET-DECK R.H. | ||
| TR3250-10 | SCHRAUBE | ||
| TR3296-1 | Mutter | ||


Gestion de qualité
Aidez-nous à améliorer cette page. Informez-nous de toute erreur que vous trouverez.

