Toro 62923 - 5 hp Lawn Vacuum, 1978 (8000001-8999999) ENGINE MODEL NO. 130202 TYPE 0600-01 BRIGGS & STRATTON Pièces détachées
ENGINE MODEL NO. 130202 TYPE 0600-01 BRIGGS & STRATTON 62923 - Toro 5 hp Lawn Vacuum, 1978 (8000001-8999999)

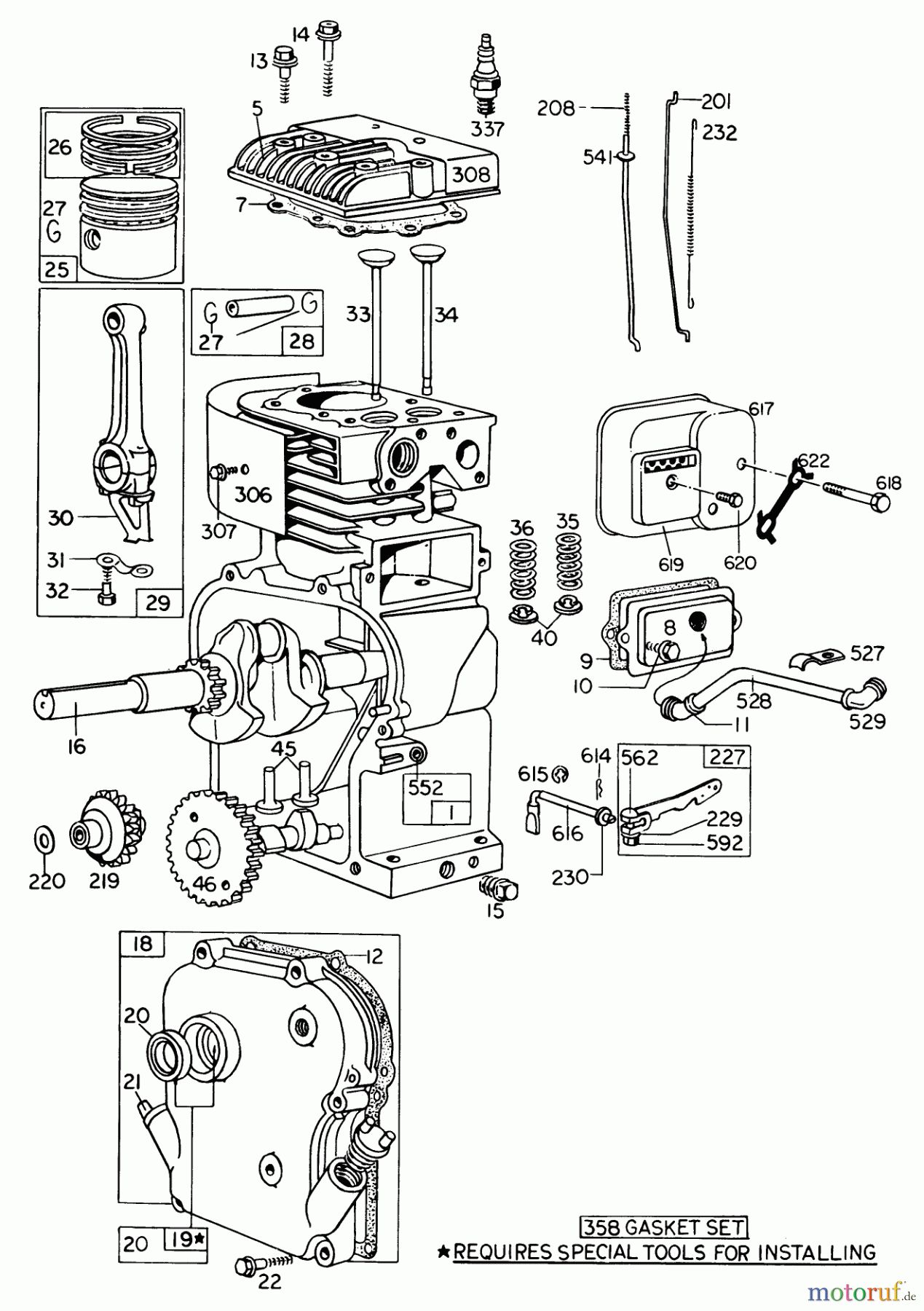
Vous trouverez ici le dessin de la pièce de rechange pour Toro Neu Blowers/Vacuums/Chippers/Shredders 62923 - Toro 5 hp Lawn Vacuum, 1978 (8000001-8999999) ENGINE MODEL NO. 130202 TYPE 0600-01 BRIGGS & STRATTON. Sélectionnez la pièce de rechange requise dans la liste des pièces de rechange de votre appareil Toro Neu Blowers/Vacuums/Chippers/Shredders 62923 - Toro 5 hp Lawn Vacuum, 1978 (8000001-8999999) ENGINE MODEL NO. 130202 TYPE 0600-01 BRIGGS & STRATTON et commandez simplement en ligne. De nombreuses pièces de rechange Toro nous gardons en permanence dans notre entrepôt pour vous.


Gestion de qualité
Aidez-nous à améliorer cette page. Informez-nous de toute erreur que vous trouverez.



