Toro 78315 - 37" Side Discharge Mower, 1994 (4900001-4999999) DECK ASSEMBLY Pièces détachées
DECK ASSEMBLY 78315 - Toro 37" Side Discharge Mower, 1994 (4900001-4999999)

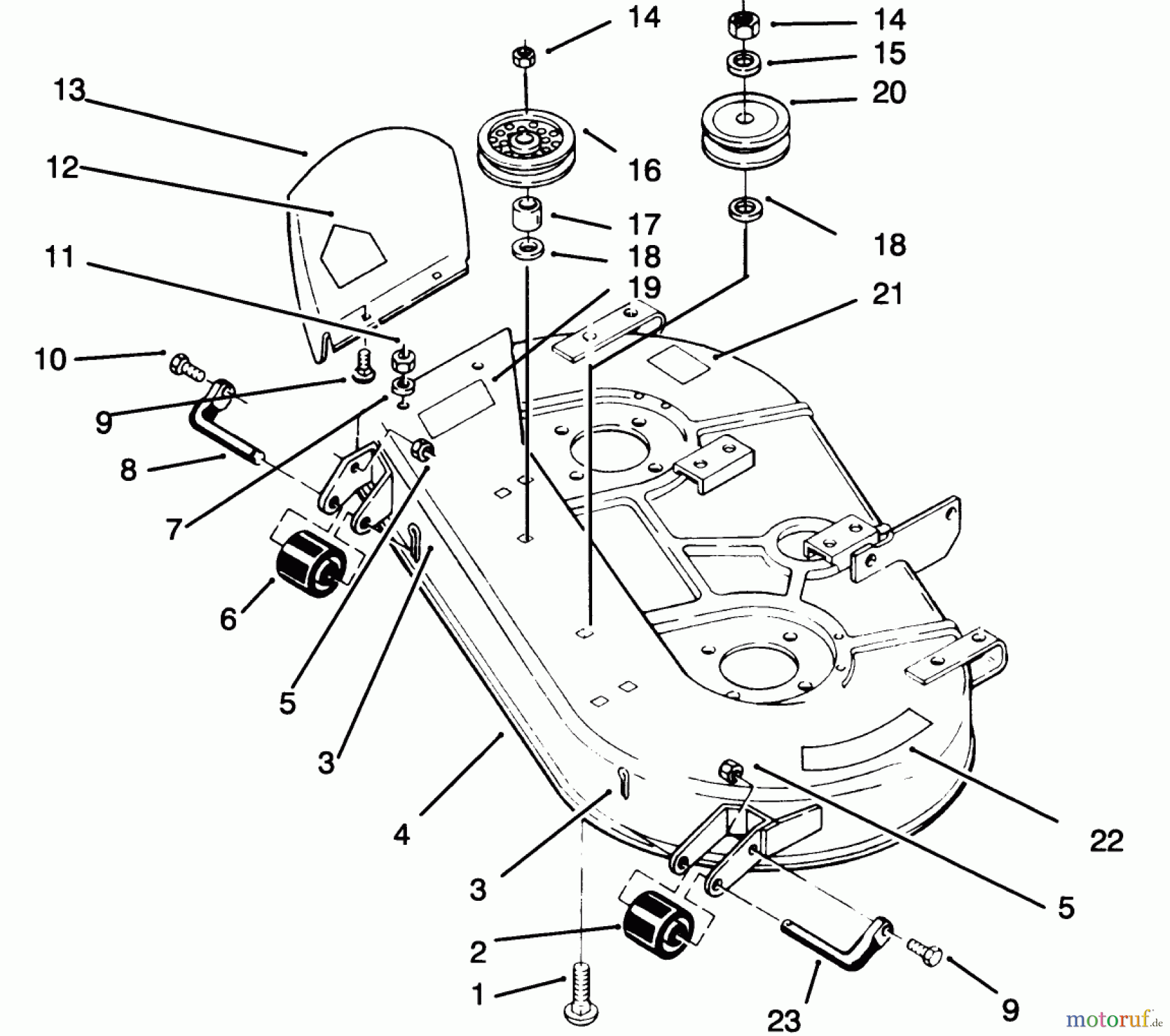
Vous trouverez ici le dessin de la pièce de rechange pour Toro Neu Mowers, Deck Assembly Only 78315 - Toro 37" Side Discharge Mower, 1994 (4900001-4999999) DECK ASSEMBLY. Sélectionnez la pièce de rechange requise dans la liste des pièces de rechange de votre appareil Toro Neu Mowers, Deck Assembly Only 78315 - Toro 37" Side Discharge Mower, 1994 (4900001-4999999) DECK ASSEMBLY et commandez simplement en ligne. De nombreuses pièces de rechange Toro nous gardons en permanence dans notre entrepôt pour vous.


Gestion de qualité
Aidez-nous à améliorer cette page. Informez-nous de toute erreur que vous trouverez.






