Toro 56138 (8-32) - 8-32 Rear Engine Rider, 1985 (5000001-5999999) ENGINE BRIGGS & STRATTON MODEL NO. 191702-2133-01 #1 Pièces détachées
ENGINE BRIGGS & STRATTON MODEL NO. 191702-2133-01 #1 56138 (8-32) - Toro 8-32 Rear Engine Rider, 1985 (5000001-5999999)

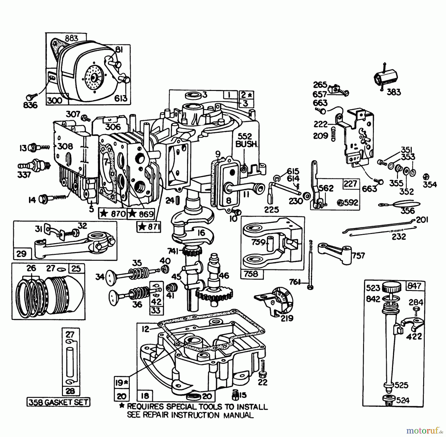
Vous trouverez ici le dessin de la pièce de rechange pour Toro Neu Mowers, Rear-Engine Rider 56138 (8-32) - Toro 8-32 Rear Engine Rider, 1985 (5000001-5999999) ENGINE BRIGGS & STRATTON MODEL NO. 191702-2133-01 #1. Sélectionnez la pièce de rechange requise dans la liste des pièces de rechange de votre appareil Toro Neu Mowers, Rear-Engine Rider 56138 (8-32) - Toro 8-32 Rear Engine Rider, 1985 (5000001-5999999) ENGINE BRIGGS & STRATTON MODEL NO. 191702-2133-01 #1 et commandez simplement en ligne. De nombreuses pièces de rechange Toro nous gardons en permanence dans notre entrepôt pour vous.


Gestion de qualité
Aidez-nous à améliorer cette page. Informez-nous de toute erreur que vous trouverez.



