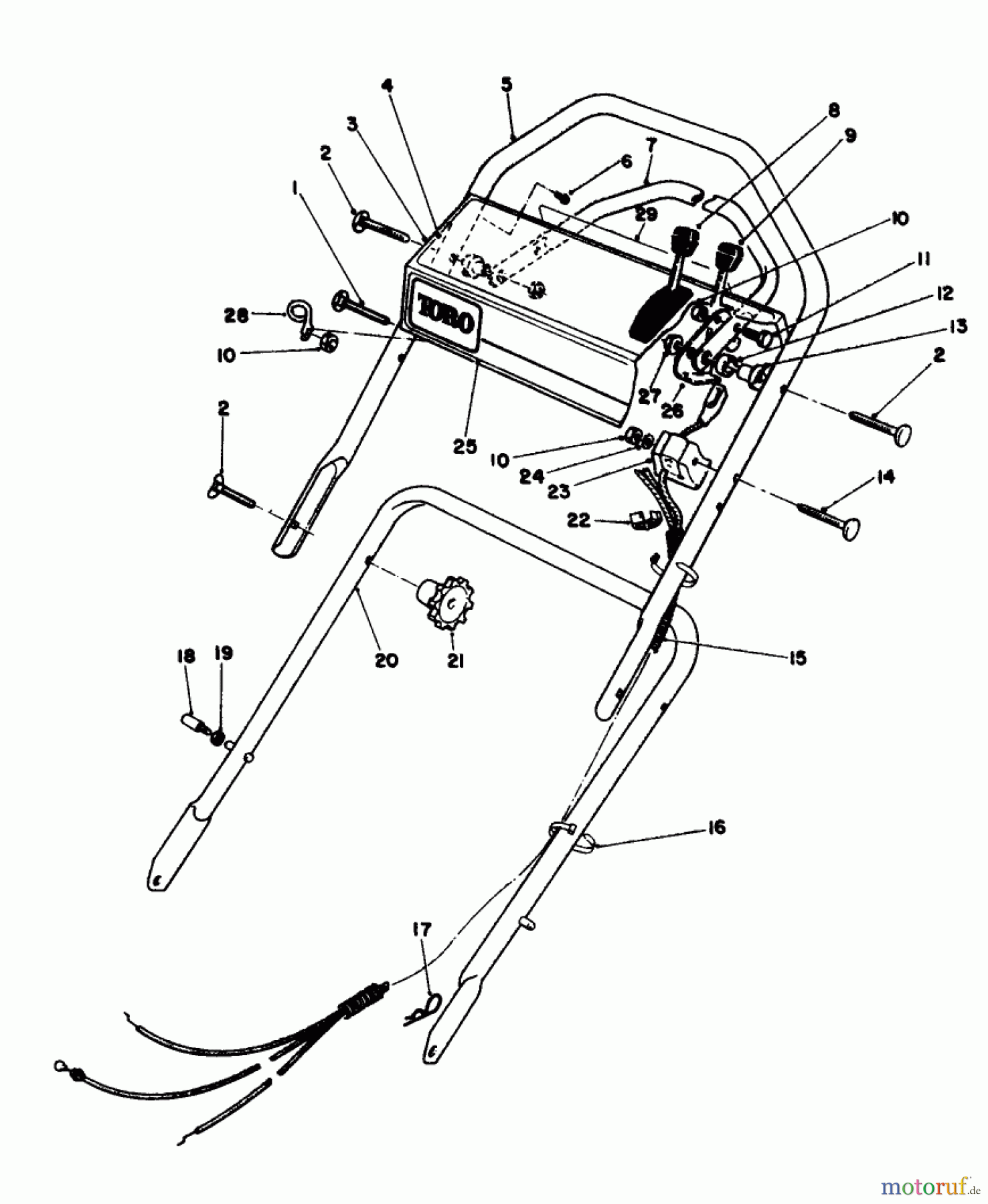
Toro 16212 - Lawnmower, 1990 (0000001-0999999) HANDLE ASSEMBLY Pièces détachées
HANDLE ASSEMBLY 16212 - Toro Lawnmower, 1990 (0000001-0999999)

Vous trouverez ici le dessin de la pièce de rechange pour Toro Neu Mowers, Walk-Behind Seite 1 16212 - Toro Lawnmower, 1990 (0000001-0999999) HANDLE ASSEMBLY. Sélectionnez la pièce de rechange requise dans la liste des pièces de rechange de votre appareil Toro Neu Mowers, Walk-Behind Seite 1 16212 - Toro Lawnmower, 1990 (0000001-0999999) HANDLE ASSEMBLY et commandez simplement en ligne. De nombreuses pièces de rechange Toro nous gardons en permanence dans notre entrepôt pour vous.


Gestion de qualité
Aidez-nous à améliorer cette page. Informez-nous de toute erreur que vous trouverez.




