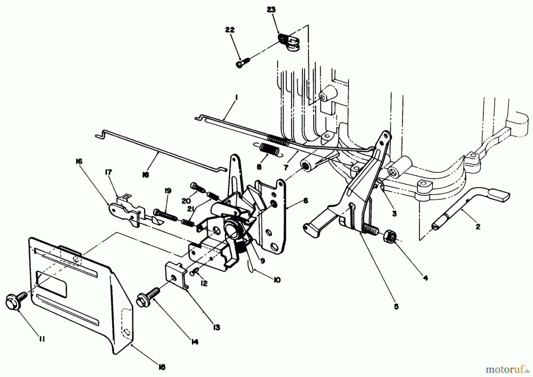
Toro 20320 - Lawnmower, 1992 (2000001-2999999) GOVERNOR ASSEMBLY (MODEL NO. VML0-2) Pièces détachées
GOVERNOR ASSEMBLY (MODEL NO. VML0-2) 20320 - Toro Lawnmower, 1992 (2000001-2999999)

Vous trouverez ici le dessin de la pièce de rechange pour Toro Neu Mowers, Walk-Behind Seite 1 20320 - Toro Lawnmower, 1992 (2000001-2999999) GOVERNOR ASSEMBLY (MODEL NO. VML0-2). Sélectionnez la pièce de rechange requise dans la liste des pièces de rechange de votre appareil Toro Neu Mowers, Walk-Behind Seite 1 20320 - Toro Lawnmower, 1992 (2000001-2999999) GOVERNOR ASSEMBLY (MODEL NO. VML0-2) et commandez simplement en ligne. De nombreuses pièces de rechange Toro nous gardons en permanence dans notre entrepôt pour vous.


Gestion de qualité
Aidez-nous à améliorer cette page. Informez-nous de toute erreur que vous trouverez.

