Toro 20577 - Lawnmower, 1985 (5000001-5999999) ENGINE TECUMSEH MODEL TNT100-10085E Pièces détachées
ENGINE TECUMSEH MODEL TNT100-10085E 20577 - Toro Lawnmower, 1985 (5000001-5999999)

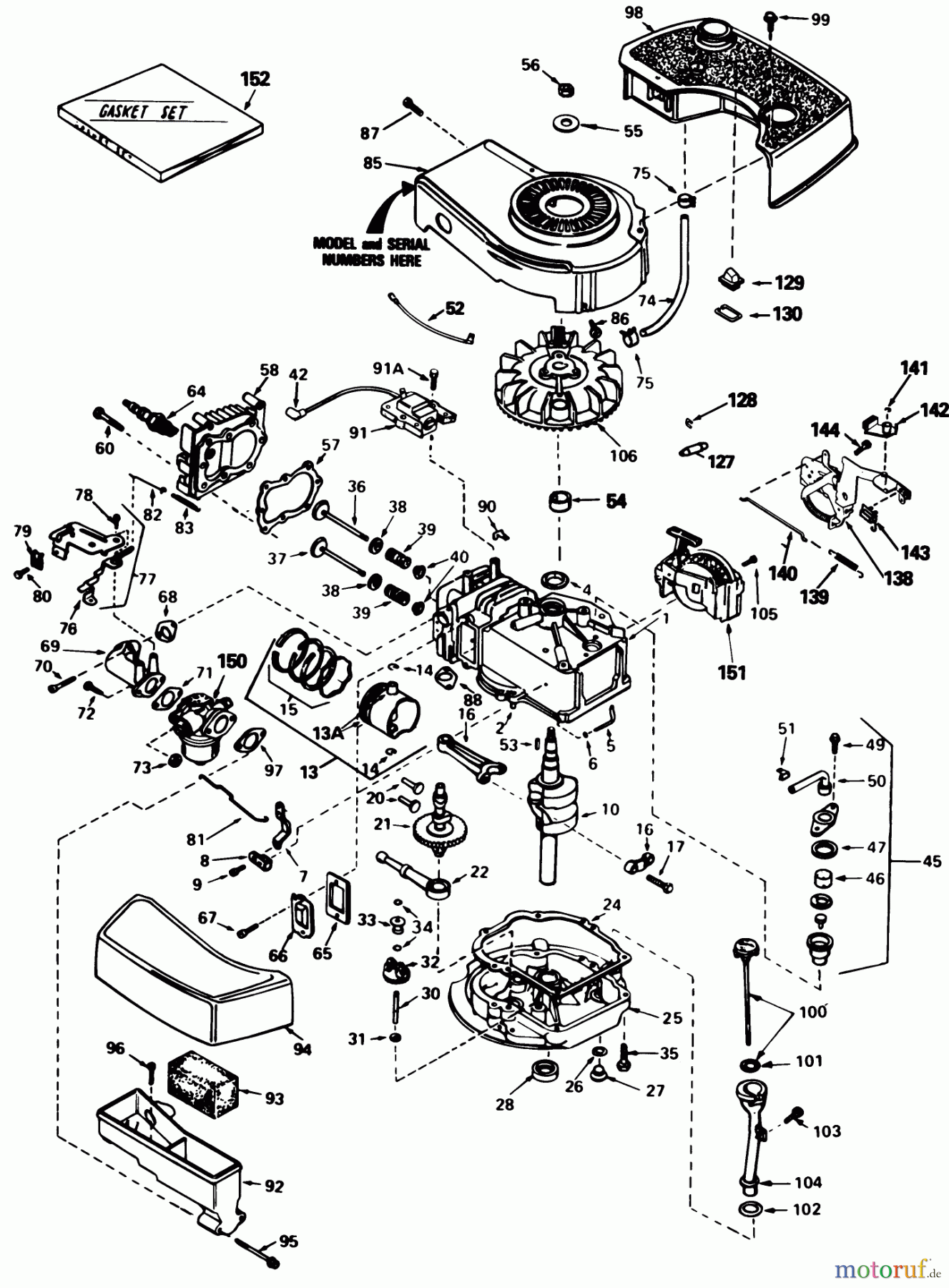
Vous trouverez ici le dessin de la pièce de rechange pour Toro Neu Mowers, Walk-Behind Seite 1 20577 - Toro Lawnmower, 1985 (5000001-5999999) ENGINE TECUMSEH MODEL TNT100-10085E. Sélectionnez la pièce de rechange requise dans la liste des pièces de rechange de votre appareil Toro Neu Mowers, Walk-Behind Seite 1 20577 - Toro Lawnmower, 1985 (5000001-5999999) ENGINE TECUMSEH MODEL TNT100-10085E et commandez simplement en ligne. De nombreuses pièces de rechange Toro nous gardons en permanence dans notre entrepôt pour vous.







