Toro 20626C - Lawnmower, 1986 (6000001-6999999) ENGINE ASSEMBLY #2 Pièces détachées
ENGINE ASSEMBLY #2 20626C - Toro Lawnmower, 1986 (6000001-6999999)

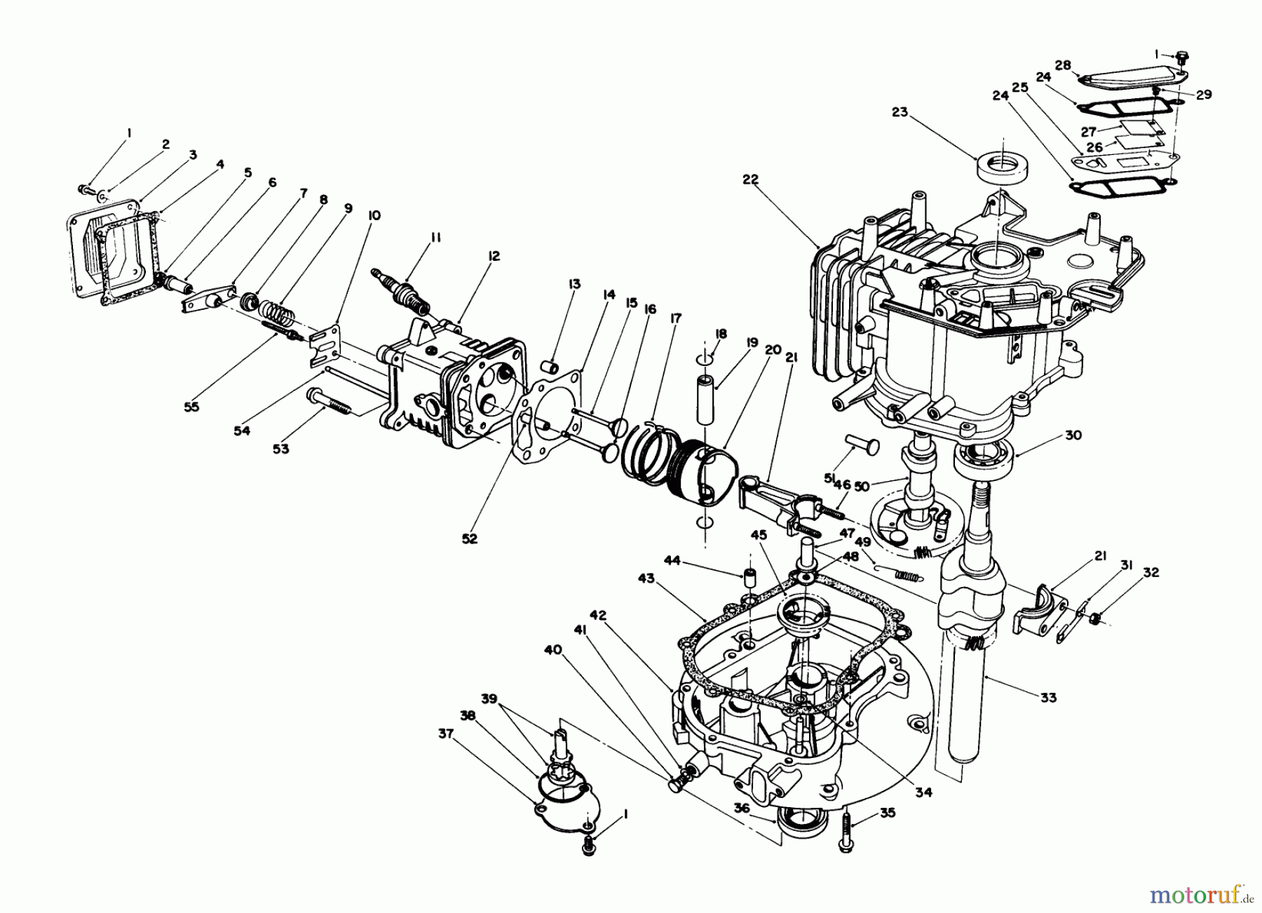
Vous trouverez ici le dessin de la pièce de rechange pour Toro Neu Mowers, Walk-Behind Seite 1 20626C - Toro Lawnmower, 1986 (6000001-6999999) ENGINE ASSEMBLY #2. Sélectionnez la pièce de rechange requise dans la liste des pièces de rechange de votre appareil Toro Neu Mowers, Walk-Behind Seite 1 20626C - Toro Lawnmower, 1986 (6000001-6999999) ENGINE ASSEMBLY #2 et commandez simplement en ligne. De nombreuses pièces de rechange Toro nous gardons en permanence dans notre entrepôt pour vous.


Gestion de qualité
Aidez-nous à améliorer cette page. Informez-nous de toute erreur que vous trouverez.

