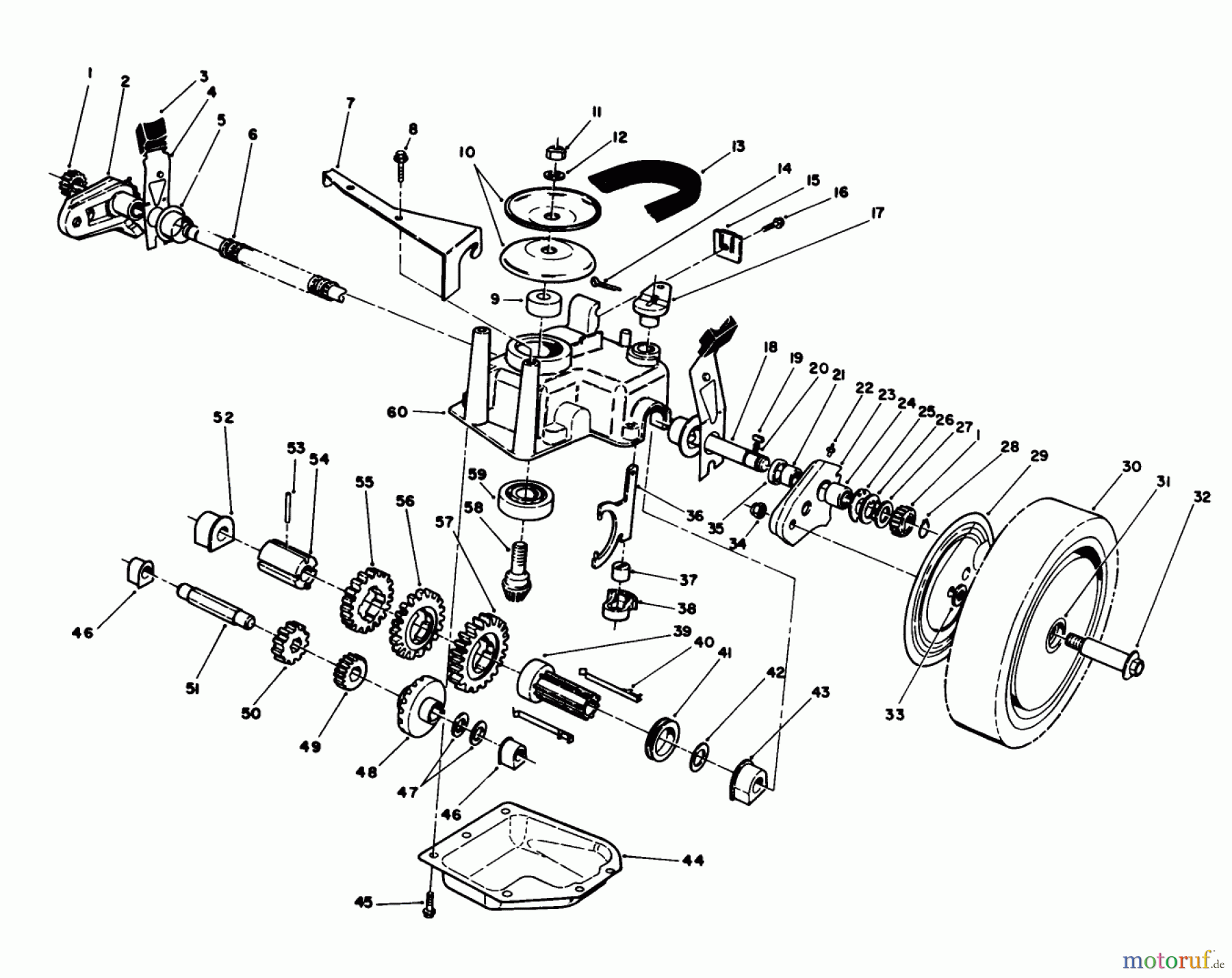
Toro 20747C - Lawnmower, 1988 (8000001-8999999) GEAR CASE ASSEMBLY Pièces détachées
GEAR CASE ASSEMBLY 20747C - Toro Lawnmower, 1988 (8000001-8999999)

Vous trouverez ici le dessin de la pièce de rechange pour Toro Neu Mowers, Walk-Behind Seite 1 20747C - Toro Lawnmower, 1988 (8000001-8999999) GEAR CASE ASSEMBLY. Sélectionnez la pièce de rechange requise dans la liste des pièces de rechange de votre appareil Toro Neu Mowers, Walk-Behind Seite 1 20747C - Toro Lawnmower, 1988 (8000001-8999999) GEAR CASE ASSEMBLY et commandez simplement en ligne. De nombreuses pièces de rechange Toro nous gardons en permanence dans notre entrepôt pour vous.


Gestion de qualité
Aidez-nous à améliorer cette page. Informez-nous de toute erreur que vous trouverez.












