Toro 22037BC - Lawnmower, 1995 (5900001-5999999) ENGINE ASSEMBLY Pièces détachées
ENGINE ASSEMBLY 22037BC - Toro Lawnmower, 1995 (5900001-5999999)

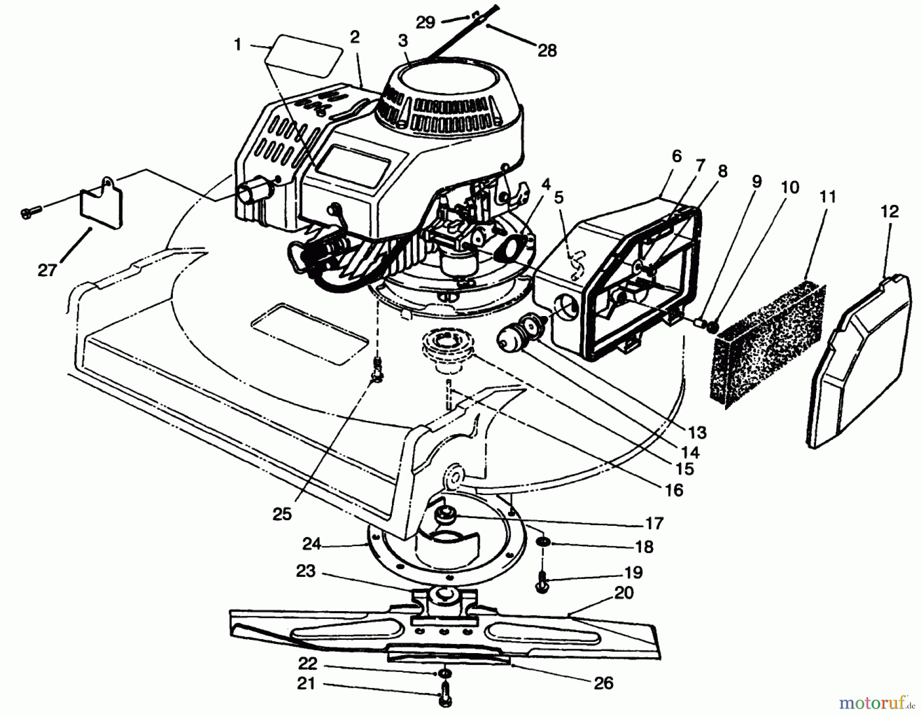
Vous trouverez ici le dessin de la pièce de rechange pour Toro Neu Mowers, Walk-Behind Seite 2 22037BC - Toro Lawnmower, 1995 (5900001-5999999) ENGINE ASSEMBLY. Sélectionnez la pièce de rechange requise dans la liste des pièces de rechange de votre appareil Toro Neu Mowers, Walk-Behind Seite 2 22037BC - Toro Lawnmower, 1995 (5900001-5999999) ENGINE ASSEMBLY et commandez simplement en ligne. De nombreuses pièces de rechange Toro nous gardons en permanence dans notre entrepôt pour vous.





