Toro 22177 - 21" Heavy-Duty Recycler/Rear Bagger Lawnmower, 2004 (240000001-240999999) CYLINDER AND CRANKCASE ASSEMBLY Pièces détachées
CYLINDER AND CRANKCASE ASSEMBLY 22177 - Toro 21" Heavy-Duty Recycler/Rear Bagger Lawnmower, 2004 (240000001-240999999)

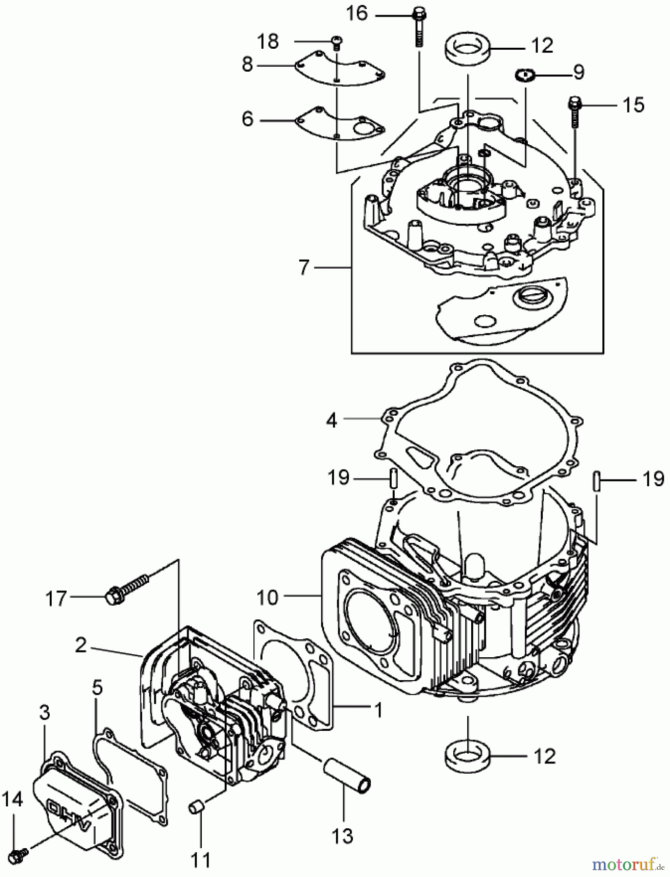
Vous trouverez ici le dessin de la pièce de rechange pour Toro Neu Mowers, Walk-Behind Seite 2 22177 - Toro 21" Heavy-Duty Recycler/Rear Bagger Lawnmower, 2004 (240000001-240999999) CYLINDER AND CRANKCASE ASSEMBLY. Sélectionnez la pièce de rechange requise dans la liste des pièces de rechange de votre appareil Toro Neu Mowers, Walk-Behind Seite 2 22177 - Toro 21" Heavy-Duty Recycler/Rear Bagger Lawnmower, 2004 (240000001-240999999) CYLINDER AND CRANKCASE ASSEMBLY et commandez simplement en ligne. De nombreuses pièces de rechange Toro nous gardons en permanence dans notre entrepôt pour vous.


Gestion de qualité
Aidez-nous à améliorer cette page. Informez-nous de toute erreur que vous trouverez.

