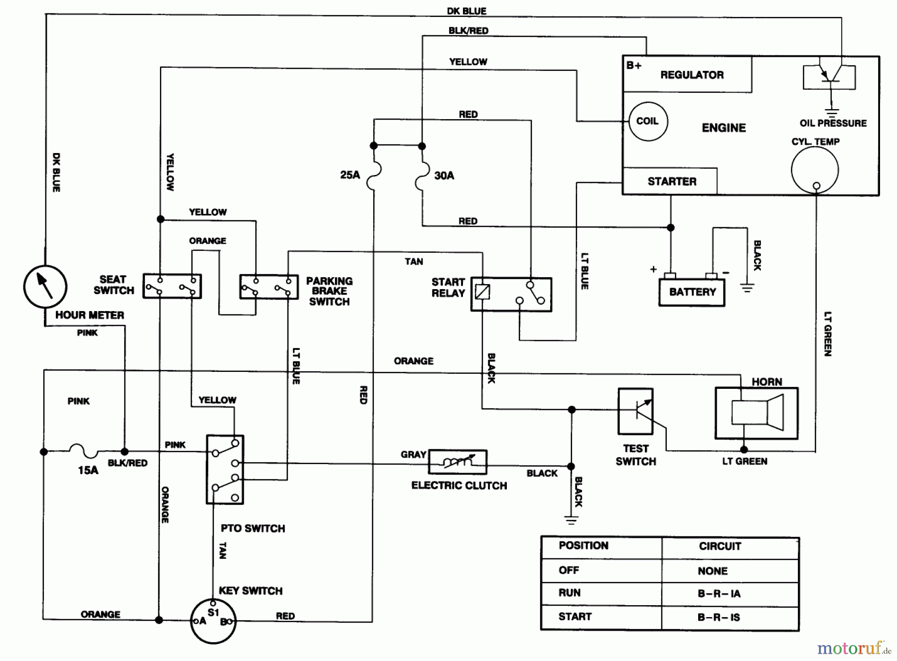
Toro 74140 (724-Z) - 724-Z Tractor, 1994 (49000001-49999999) ELECTRICAL SCHEMATIC Pièces détachées
ELECTRICAL SCHEMATIC 74140 (724-Z) - Toro 724-Z Tractor, 1994 (49000001-49999999)

Vous trouverez ici le dessin de la pièce de rechange pour Toro Neu Mowers, Zero-Turn 74140 (724-Z) - Toro 724-Z Tractor, 1994 (49000001-49999999) ELECTRICAL SCHEMATIC. Sélectionnez la pièce de rechange requise dans la liste des pièces de rechange de votre appareil Toro Neu Mowers, Zero-Turn 74140 (724-Z) - Toro 724-Z Tractor, 1994 (49000001-49999999) ELECTRICAL SCHEMATIC et commandez simplement en ligne. De nombreuses pièces de rechange Toro nous gardons en permanence dans notre entrepôt pour vous.
| Pos. | Numéro d'article | Description | |
| TR92-9810 | DISCONTINUED | ||



