Toro 74360 (Z4200) - TimeCutter Z4200 Riding Mower, 2008 (280000001-280999999) RH HYDRO ASSEMBLY NO. 110-6771 Pièces détachées
RH HYDRO ASSEMBLY NO. 110-6771 74360 (Z4200) - Toro TimeCutter Z4200 Riding Mower, 2008 (280000001-280999999)

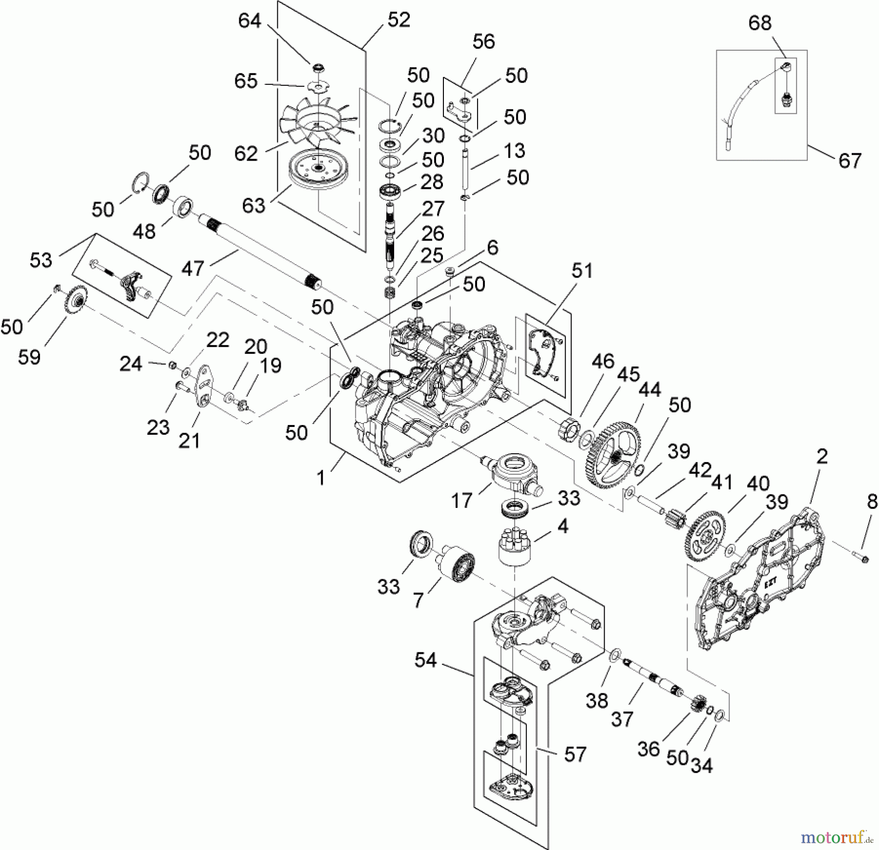
Vous trouverez ici le dessin de la pièce de rechange pour Toro Neu Mowers, Zero-Turn 74360 (Z4200) - Toro TimeCutter Z4200 Riding Mower, 2008 (280000001-280999999) RH HYDRO ASSEMBLY NO. 110-6771. Sélectionnez la pièce de rechange requise dans la liste des pièces de rechange de votre appareil Toro Neu Mowers, Zero-Turn 74360 (Z4200) - Toro TimeCutter Z4200 Riding Mower, 2008 (280000001-280999999) RH HYDRO ASSEMBLY NO. 110-6771 et commandez simplement en ligne. De nombreuses pièces de rechange Toro nous gardons en permanence dans notre entrepôt pour vous.


Gestion de qualité
Aidez-nous à améliorer cette page. Informez-nous de toute erreur que vous trouverez.

