Toro 74373 (Z5030) - TimeCutter Z5030 Riding Mower, 2009 (290004013-290999999) CRANKCASE ASSEMBLY KOHLER SV720-0039 Pièces détachées
CRANKCASE ASSEMBLY KOHLER SV720-0039 74373 (Z5030) - Toro TimeCutter Z5030 Riding Mower, 2009 (290004013-290999999)

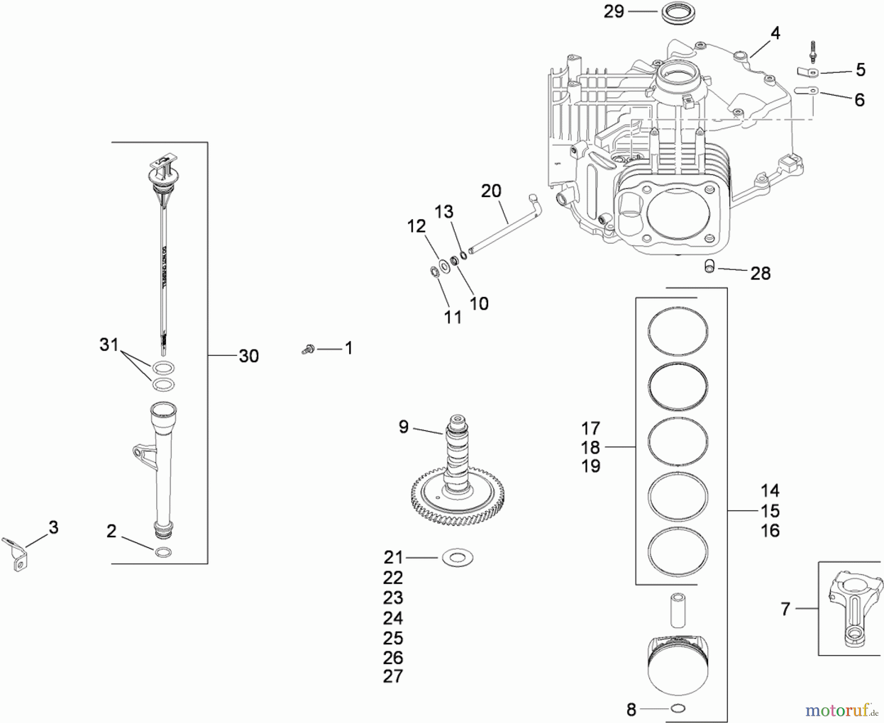
Vous trouverez ici le dessin de la pièce de rechange pour Toro Neu Mowers, Zero-Turn 74373 (Z5030) - Toro TimeCutter Z5030 Riding Mower, 2009 (290004013-290999999) CRANKCASE ASSEMBLY KOHLER SV720-0039. Sélectionnez la pièce de rechange requise dans la liste des pièces de rechange de votre appareil Toro Neu Mowers, Zero-Turn 74373 (Z5030) - Toro TimeCutter Z5030 Riding Mower, 2009 (290004013-290999999) CRANKCASE ASSEMBLY KOHLER SV720-0039 et commandez simplement en ligne. De nombreuses pièces de rechange Toro nous gardons en permanence dans notre entrepôt pour vous.


Gestion de qualité
Aidez-nous à améliorer cette page. Informez-nous de toute erreur que vous trouverez.

