Toro 74386 (ZS 4200) - TimeCutter ZS 4200 Riding Mower, 2012 (SN 312000001-312999999) RIGHT HAND HYDRO TRANSAXLE ASSEMBLY NO. 119-3331 Pièces détachées
RIGHT HAND HYDRO TRANSAXLE ASSEMBLY NO. 119-3331 74386 (ZS 4200) - Toro TimeCutter ZS 4200 Riding Mower, 2012 (SN 312000001-312999999)

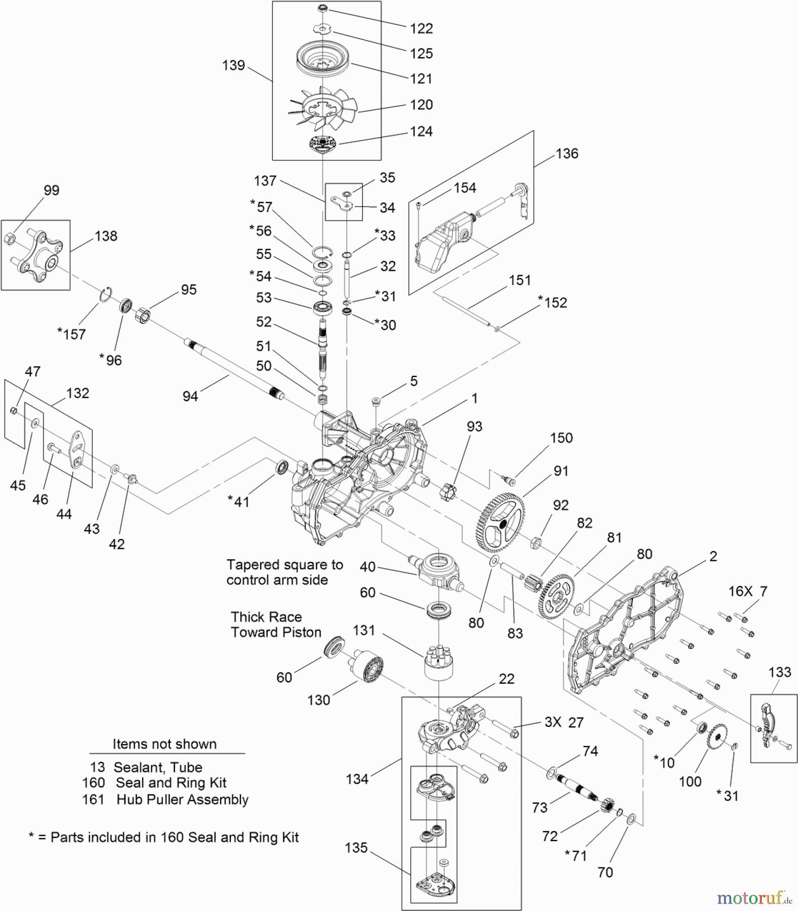
Vous trouverez ici le dessin de la pièce de rechange pour Toro Neu Mowers, Zero-Turn 74386 (ZS 4200) - Toro TimeCutter ZS 4200 Riding Mower, 2012 (SN 312000001-312999999) RIGHT HAND HYDRO TRANSAXLE ASSEMBLY NO. 119-3331. Sélectionnez la pièce de rechange requise dans la liste des pièces de rechange de votre appareil Toro Neu Mowers, Zero-Turn 74386 (ZS 4200) - Toro TimeCutter ZS 4200 Riding Mower, 2012 (SN 312000001-312999999) RIGHT HAND HYDRO TRANSAXLE ASSEMBLY NO. 119-3331 et commandez simplement en ligne. De nombreuses pièces de rechange Toro nous gardons en permanence dans notre entrepôt pour vous.



