Toro 74390 (ZS 4200TF) - TimeCutter ZS 4200TF Riding Mower, 2012 (SN 312000001-312999999) HYDRO TRANSAXLE ASSEMBLY Pièces détachées
HYDRO TRANSAXLE ASSEMBLY 74390 (ZS 4200TF) - Toro TimeCutter ZS 4200TF Riding Mower, 2012 (SN 312000001-312999999)

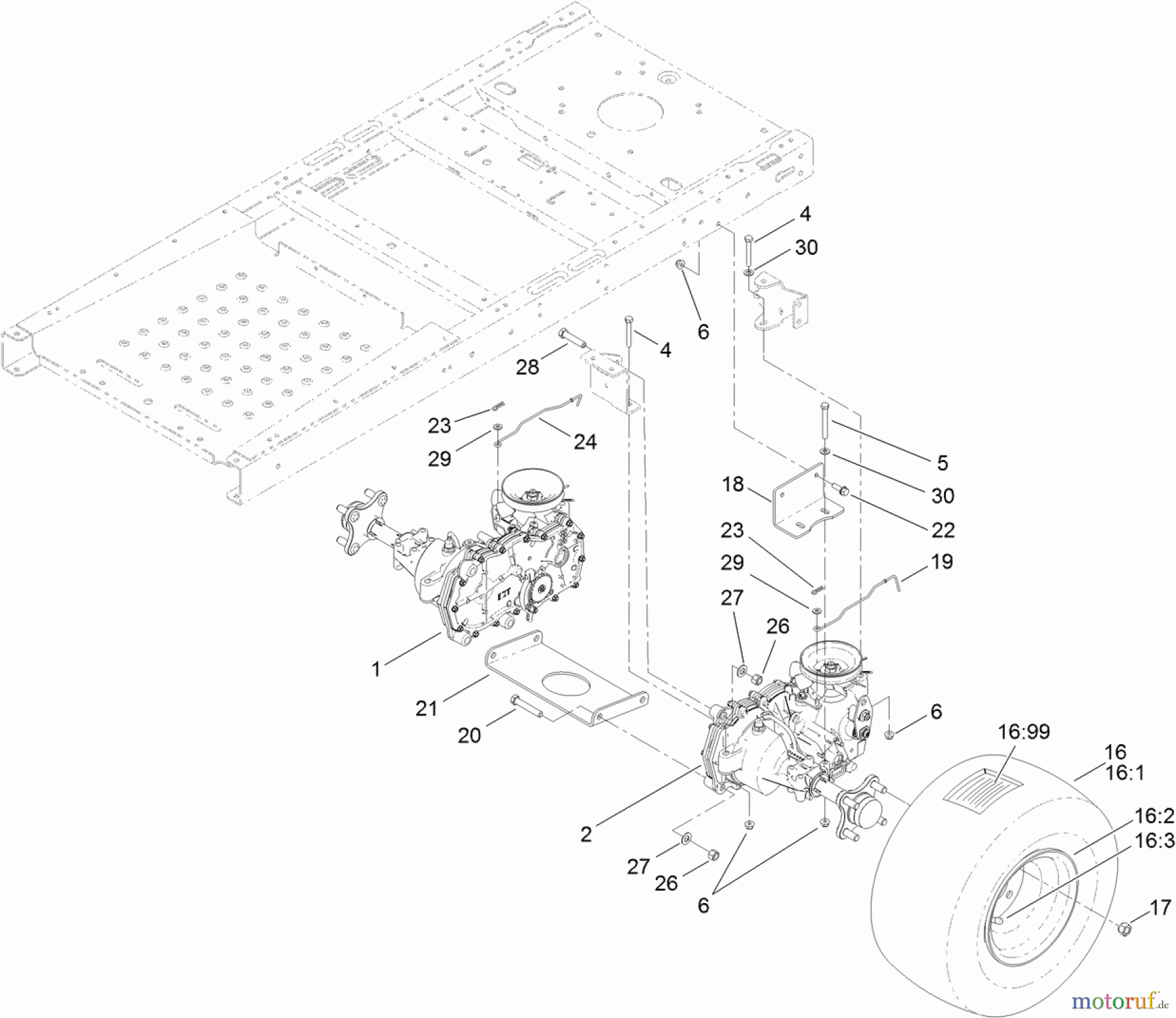
Vous trouverez ici le dessin de la pièce de rechange pour Toro Neu Mowers, Zero-Turn 74390 (ZS 4200TF) - Toro TimeCutter ZS 4200TF Riding Mower, 2012 (SN 312000001-312999999) HYDRO TRANSAXLE ASSEMBLY. Sélectionnez la pièce de rechange requise dans la liste des pièces de rechange de votre appareil Toro Neu Mowers, Zero-Turn 74390 (ZS 4200TF) - Toro TimeCutter ZS 4200TF Riding Mower, 2012 (SN 312000001-312999999) HYDRO TRANSAXLE ASSEMBLY et commandez simplement en ligne. De nombreuses pièces de rechange Toro nous gardons en permanence dans notre entrepôt pour vous.


Gestion de qualité
Aidez-nous à améliorer cette page. Informez-nous de toute erreur que vous trouverez.

