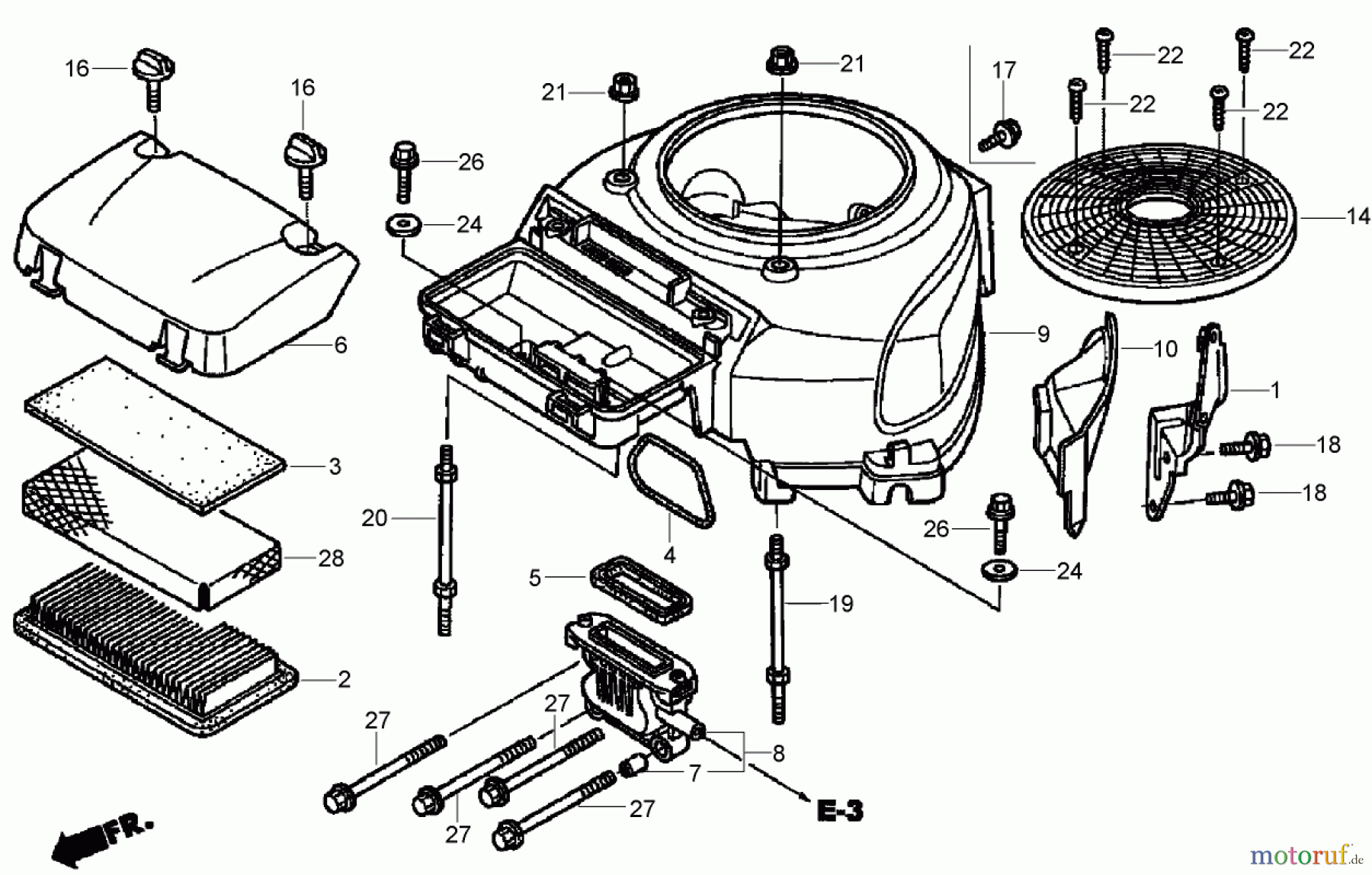
Toro 74434 (ZD530) - TimeCutter ZD530 Riding Mower, 2007 (270000001-270999999) FAN COVER ASSEMBLY HONDA GXV530 EXA2 Pièces détachées
FAN COVER ASSEMBLY HONDA GXV530 EXA2 74434 (ZD530) - Toro TimeCutter ZD530 Riding Mower, 2007 (270000001-270999999)

Vous trouverez ici le dessin de la pièce de rechange pour Toro Neu Mowers, Zero-Turn 74434 (ZD530) - Toro TimeCutter ZD530 Riding Mower, 2007 (270000001-270999999) FAN COVER ASSEMBLY HONDA GXV530 EXA2. Sélectionnez la pièce de rechange requise dans la liste des pièces de rechange de votre appareil Toro Neu Mowers, Zero-Turn 74434 (ZD530) - Toro TimeCutter ZD530 Riding Mower, 2007 (270000001-270999999) FAN COVER ASSEMBLY HONDA GXV530 EXA2 et commandez simplement en ligne. De nombreuses pièces de rechange Toro nous gardons en permanence dans notre entrepôt pour vous.


Gestion de qualité
Aidez-nous à améliorer cette page. Informez-nous de toute erreur que vous trouverez.

