Toro 74601 (Z17-44) - Z17-44 TimeCutter Z Riding Mower, 2001 (210000001-210999999) WIRING SCHEMATIC Pièces détachées
WIRING SCHEMATIC 74601 (Z17-44) - Toro Z17-44 TimeCutter Z Riding Mower, 2001 (210000001-210999999)

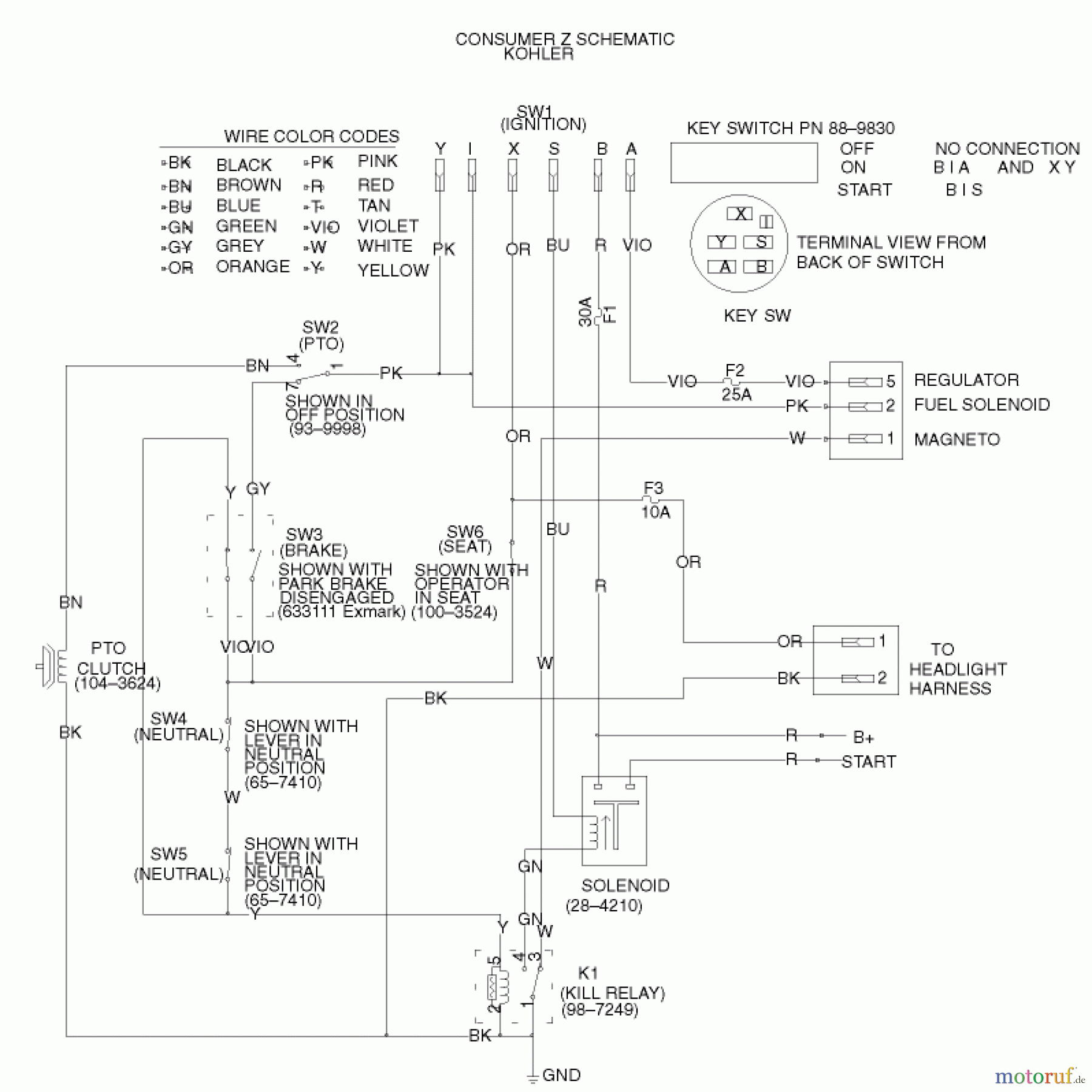
Vous trouverez ici le dessin de la pièce de rechange pour Toro Neu Mowers, Zero-Turn 74601 (Z17-44) - Toro Z17-44 TimeCutter Z Riding Mower, 2001 (210000001-210999999) WIRING SCHEMATIC. Sélectionnez la pièce de rechange requise dans la liste des pièces de rechange de votre appareil Toro Neu Mowers, Zero-Turn 74601 (Z17-44) - Toro Z17-44 TimeCutter Z Riding Mower, 2001 (210000001-210999999) WIRING SCHEMATIC et commandez simplement en ligne. De nombreuses pièces de rechange Toro nous gardons en permanence dans notre entrepôt pour vous.
| Pos. | Numéro d'article | Description | |
| TR218-578 | FUSE-BLADE, 10 AMP | ||
| TC109102 | |||
| TRNN10277 | FUSE-30 AMP | ||


Gestion de qualité
Aidez-nous à améliorer cette page. Informez-nous de toute erreur que vous trouverez.

