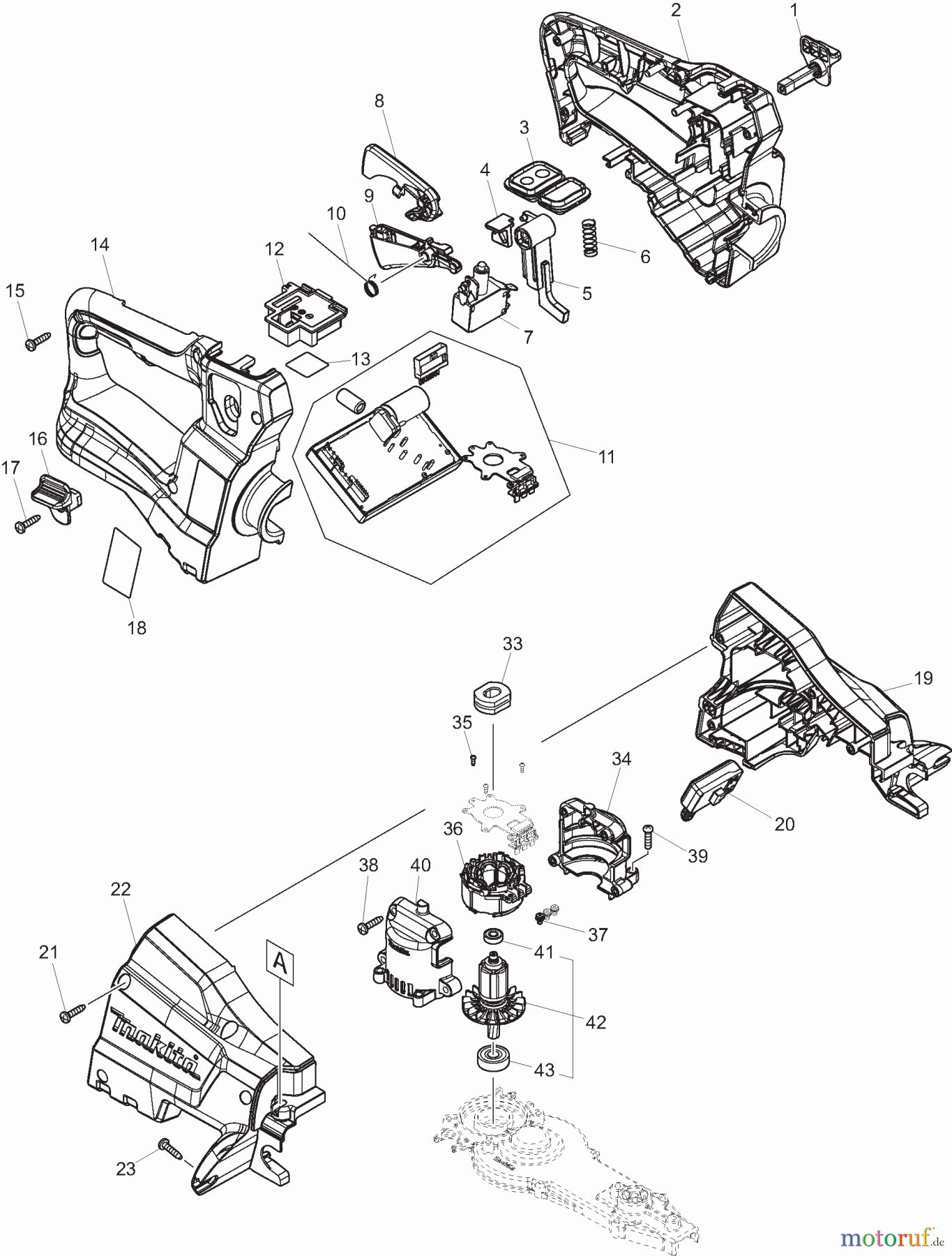
Dolmar Akku DUH502 1 Gehäuse, Motor Pièces détachées
1 Gehäuse, Motor DUH502

Vous trouverez ici le dessin de la pièce de rechange pour Dolmar Heckenscheren Akku DUH502 1 Gehäuse, Motor. Sélectionnez la pièce de rechange requise dans la liste des pièces de rechange de votre appareil Dolmar Heckenscheren Akku DUH502 1 Gehäuse, Motor et commandez simplement en ligne. De nombreuses pièces de rechange Dolmar nous gardons en permanence dans notre entrepôt pour vous.


Gestion de qualité
Aidez-nous à améliorer cette page. Informez-nous de toute erreur que vous trouverez.

