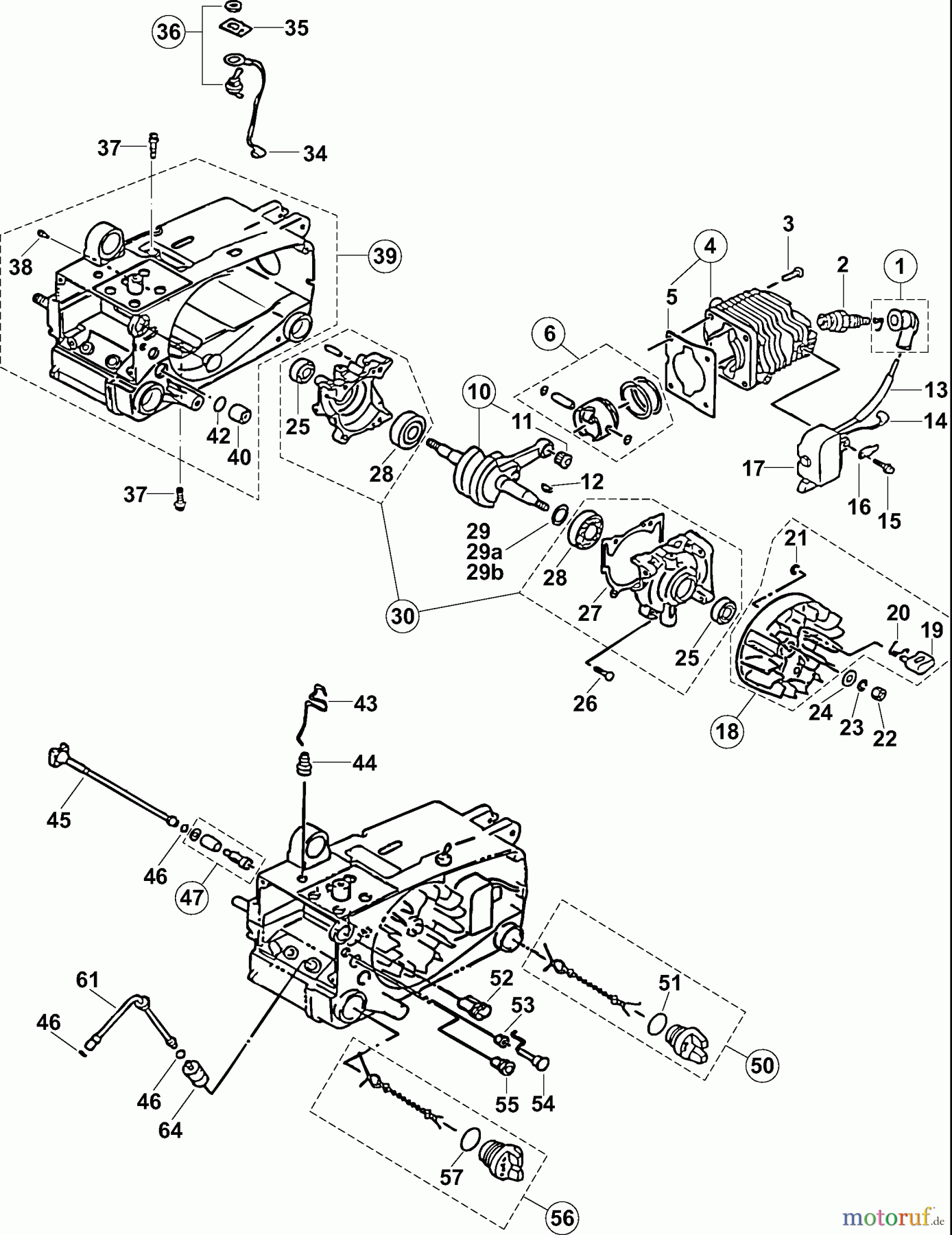
Dolmar Benzin Kettensäge PS-3300 TH 2 Motorgehäuse, Kurbelgehäuse, Zylinder, Zündung Pièces détachées
2 Motorgehäuse, Kurbelgehäuse, Zylinder, Zündung PS-3300 TH

Vous trouverez ici le dessin de la pièce de rechange pour Dolmar Kettensägen Benzin Kettensäge PS-3300 TH 2 Motorgehäuse, Kurbelgehäuse, Zylinder, Zündung. Sélectionnez la pièce de rechange requise dans la liste des pièces de rechange de votre appareil Dolmar Kettensägen Benzin Kettensäge PS-3300 TH 2 Motorgehäuse, Kurbelgehäuse, Zylinder, Zündung et commandez simplement en ligne. De nombreuses pièces de rechange Dolmar nous gardons en permanence dans notre entrepôt pour vous.




