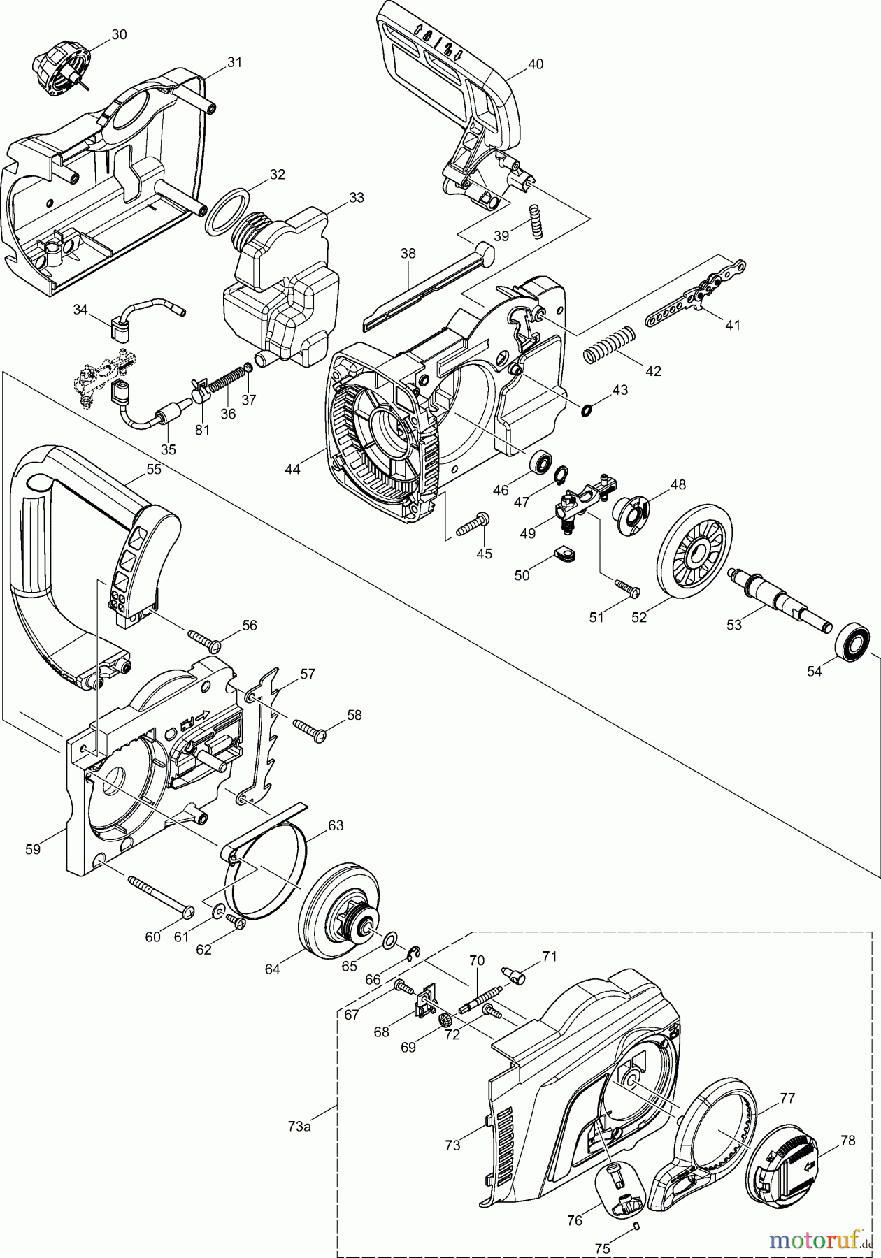
Dolmar Elektro Kettensäge ES174TLC 2 Ölpumpe, Kettenbremse, TLC Pièces détachées
2 Ölpumpe, Kettenbremse, TLC ES174TLC

Vous trouverez ici le dessin de la pièce de rechange pour Dolmar Kettensägen Elektro Kettensäge ES174TLC 2 Ölpumpe, Kettenbremse, TLC. Sélectionnez la pièce de rechange requise dans la liste des pièces de rechange de votre appareil Dolmar Kettensägen Elektro Kettensäge ES174TLC 2 Ölpumpe, Kettenbremse, TLC et commandez simplement en ligne. De nombreuses pièces de rechange Dolmar nous gardons en permanence dans notre entrepôt pour vous.






