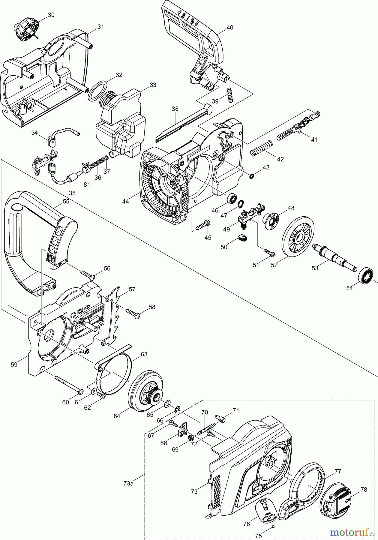
Dolmar Elektro Kettensäge ES2141TLC 2 Ölpumpe, Kettenbremse, TLC Pièces détachées
2 Ölpumpe, Kettenbremse, TLC ES2141TLC

Vous trouverez ici le dessin de la pièce de rechange pour Dolmar Kettensägen Elektro Kettensäge ES2141TLC 2 Ölpumpe, Kettenbremse, TLC. Sélectionnez la pièce de rechange requise dans la liste des pièces de rechange de votre appareil Dolmar Kettensägen Elektro Kettensäge ES2141TLC 2 Ölpumpe, Kettenbremse, TLC et commandez simplement en ligne. De nombreuses pièces de rechange Dolmar nous gardons en permanence dans notre entrepôt pour vous.


Gestion de qualité
Aidez-nous à améliorer cette page. Informez-nous de toute erreur que vous trouverez.




