Dolmar Benzin 4-Takt MS-245.4 C (USA) 3 Kurbelgehäuse, Zylinder, Zündung, Schalldämpfer, Kraftstofftank Pièces détachées
3 Kurbelgehäuse, Zylinder, Zündung, Schalldämpfer, Kraftstofftank MS-245.4 C (USA)

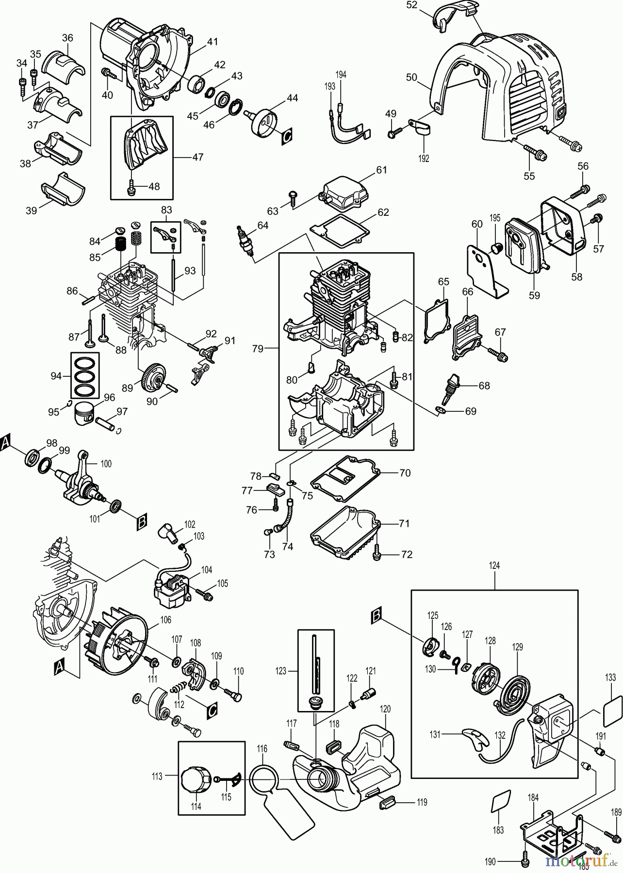
Vous trouverez ici le dessin de la pièce de rechange pour Dolmar Motorsensen & Trimmer Benzin 4-Takt MS-245.4 C (USA) 3 Kurbelgehäuse, Zylinder, Zündung, Schalldämpfer, Kraftstofftank. Sélectionnez la pièce de rechange requise dans la liste des pièces de rechange de votre appareil Dolmar Motorsensen & Trimmer Benzin 4-Takt MS-245.4 C (USA) 3 Kurbelgehäuse, Zylinder, Zündung, Schalldämpfer, Kraftstofftank et commandez simplement en ligne. De nombreuses pièces de rechange Dolmar nous gardons en permanence dans notre entrepôt pour vous.


Gestion de qualité
Aidez-nous à améliorer cette page. Informez-nous de toute erreur que vous trouverez.



