Dolmar TM-102.13 TM-102.13 (2005) 5 MOTOR Pièces détachées
5 MOTOR TM-102.13 (2005)

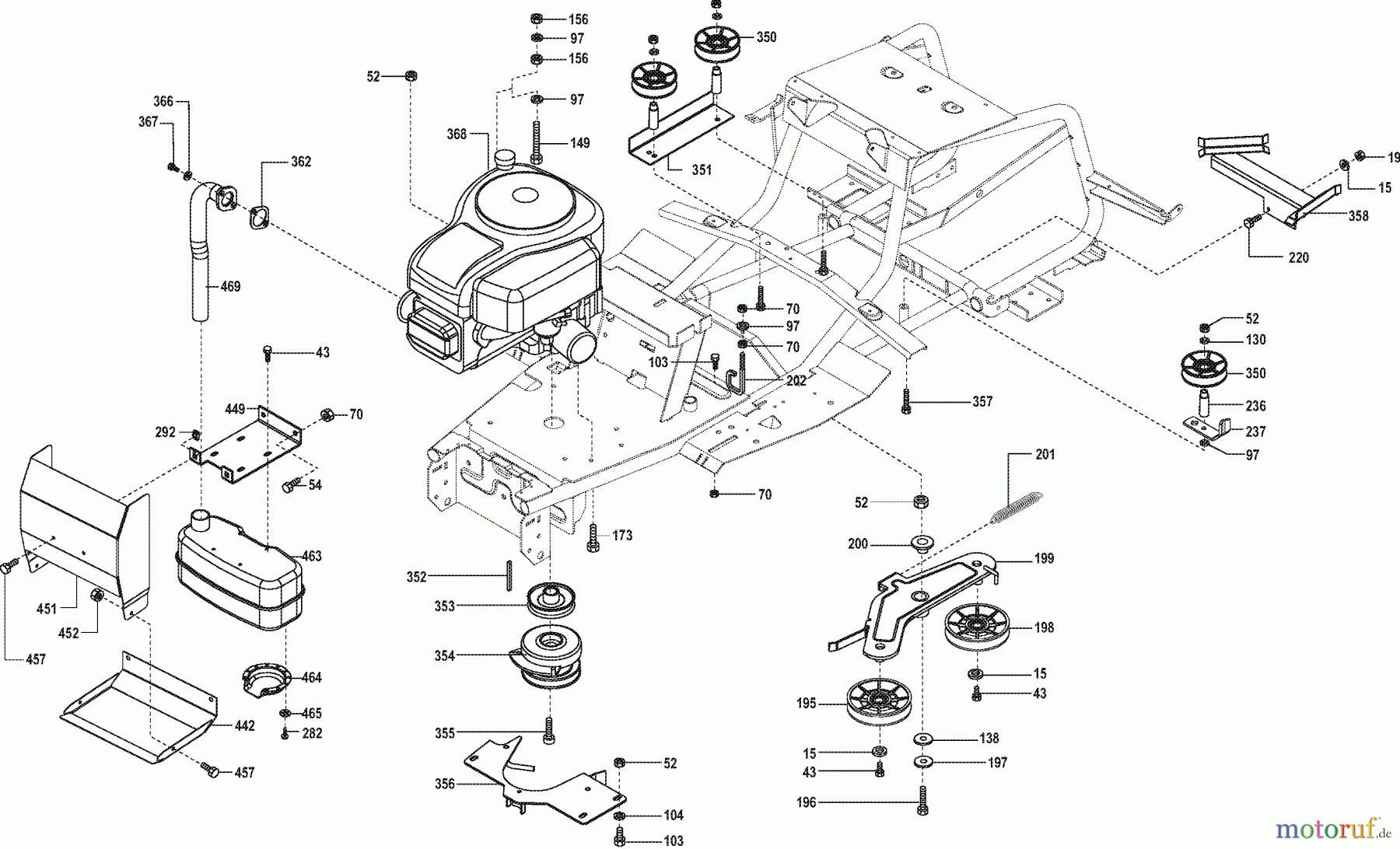
Vous trouverez ici le dessin de la pièce de rechange pour Dolmar Rasentraktoren TM-102.13 TM-102.13 (2005) 5 MOTOR. Sélectionnez la pièce de rechange requise dans la liste des pièces de rechange de votre appareil Dolmar Rasentraktoren TM-102.13 TM-102.13 (2005) 5 MOTOR et commandez simplement en ligne. De nombreuses pièces de rechange Dolmar nous gardons en permanence dans notre entrepôt pour vous.




