Dolmar TM-102.18 H2 TM-102.18 H2 (2005) 4 MOTOR Pièces détachées
4 MOTOR TM-102.18 H2 (2005)

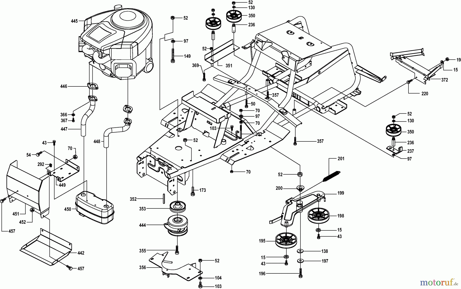
Vous trouverez ici le dessin de la pièce de rechange pour Dolmar Rasentraktoren TM-102.18 H2 TM-102.18 H2 (2005) 4 MOTOR. Sélectionnez la pièce de rechange requise dans la liste des pièces de rechange de votre appareil Dolmar Rasentraktoren TM-102.18 H2 TM-102.18 H2 (2005) 4 MOTOR et commandez simplement en ligne. De nombreuses pièces de rechange Dolmar nous gardons en permanence dans notre entrepôt pour vous.


Gestion de qualité
Aidez-nous à améliorer cette page. Informez-nous de toute erreur que vous trouverez.


