Cub Cadet Z-Force LZ 60 17BIDAGD010 (2015) Plan électrique Pièces détachées
Plan électrique 17BIDAGD010 (2015)

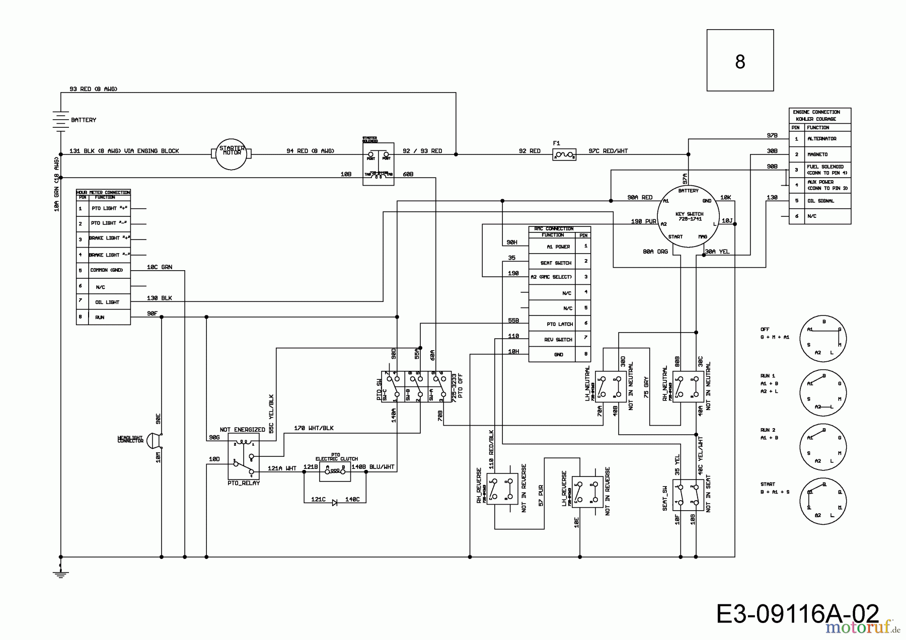
Vous trouverez ici le dessin de la pièce de rechange pour Cub Cadet Zero Turn Z-Force LZ 60 17BIDAGD010 (2015) Plan électrique. Sélectionnez la pièce de rechange requise dans la liste des pièces de rechange de votre appareil Cub Cadet Zero Turn Z-Force LZ 60 17BIDAGD010 (2015) Plan électrique et commandez simplement en ligne. De nombreuses pièces de rechange Cub Cadet nous gardons en permanence dans notre entrepôt pour vous.


Gestion de qualité
Aidez-nous à améliorer cette page. Informez-nous de toute erreur que vous trouverez.

