Verts Loisirs VLK2 22H107 N 13AF91TG417 (2009) Plan électrique Pièces détachées
Plan électrique 13AF91TG417 (2009)

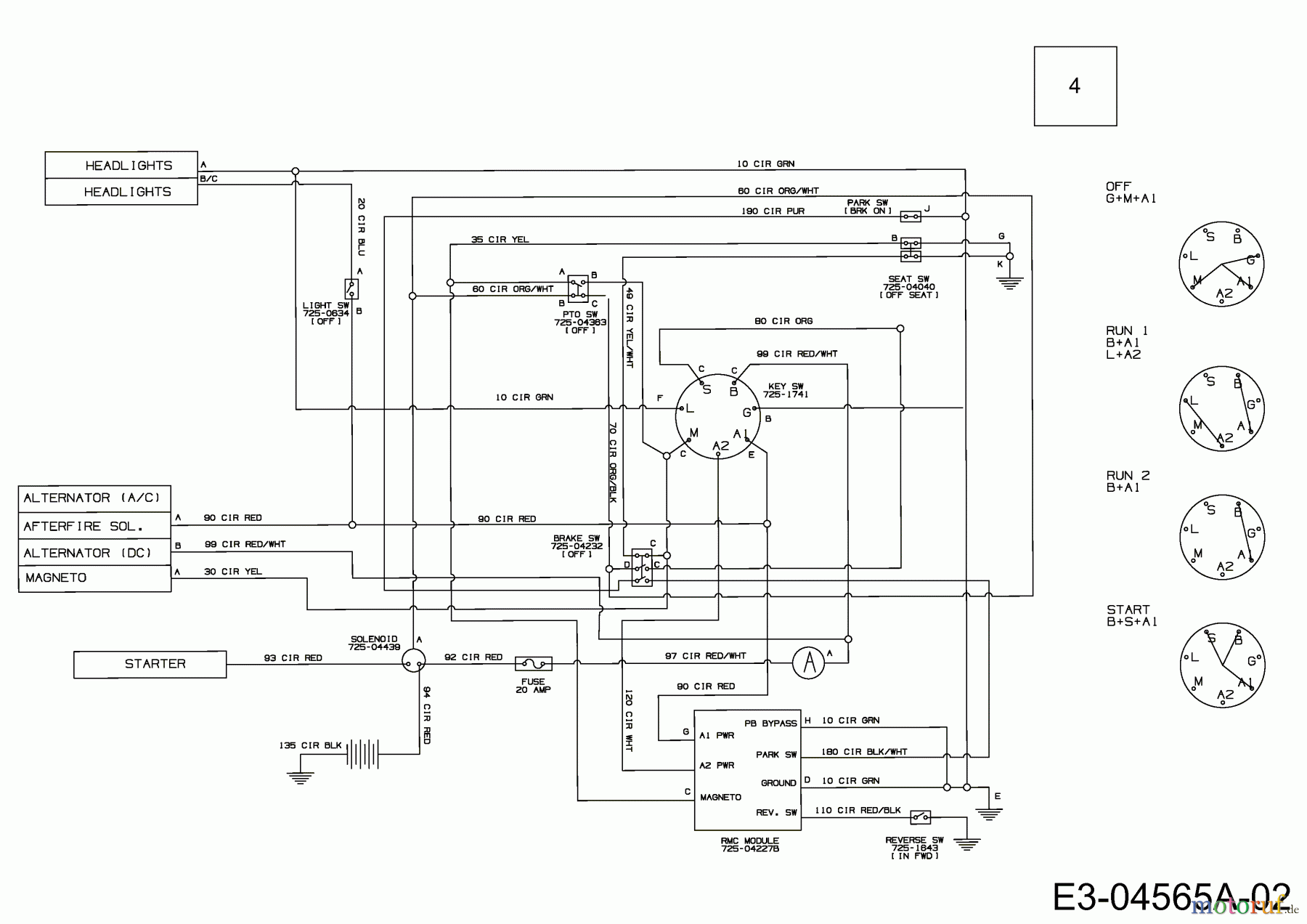
Vous trouverez ici le dessin de la pièce de rechange pour Verts Loisirs Tracteurs de pelouse VLK2 22H107 N 13AF91TG417 (2009) Plan électrique. Sélectionnez la pièce de rechange requise dans la liste des pièces de rechange de votre appareil Verts Loisirs Tracteurs de pelouse VLK2 22H107 N 13AF91TG417 (2009) Plan électrique et commandez simplement en ligne. De nombreuses pièces de rechange Verts Loisirs nous gardons en permanence dans notre entrepôt pour vous.
| Pos. | Numéro d'article | Description | |
| 9 | 725-04820 | FAISCEAU COMPLET | |


Gestion de qualité
Aidez-nous à améliorer cette page. Informez-nous de toute erreur que vous trouverez.

