BLACK+DECKER PERCEUSES, PERCEUSES À COLONNE, TARAUDEUSES KEYLESS CHUCK-AUSTRALIA 1167-AU Pièces détachées
1167-AU KEYLESS CHUCK-AUSTRALIA

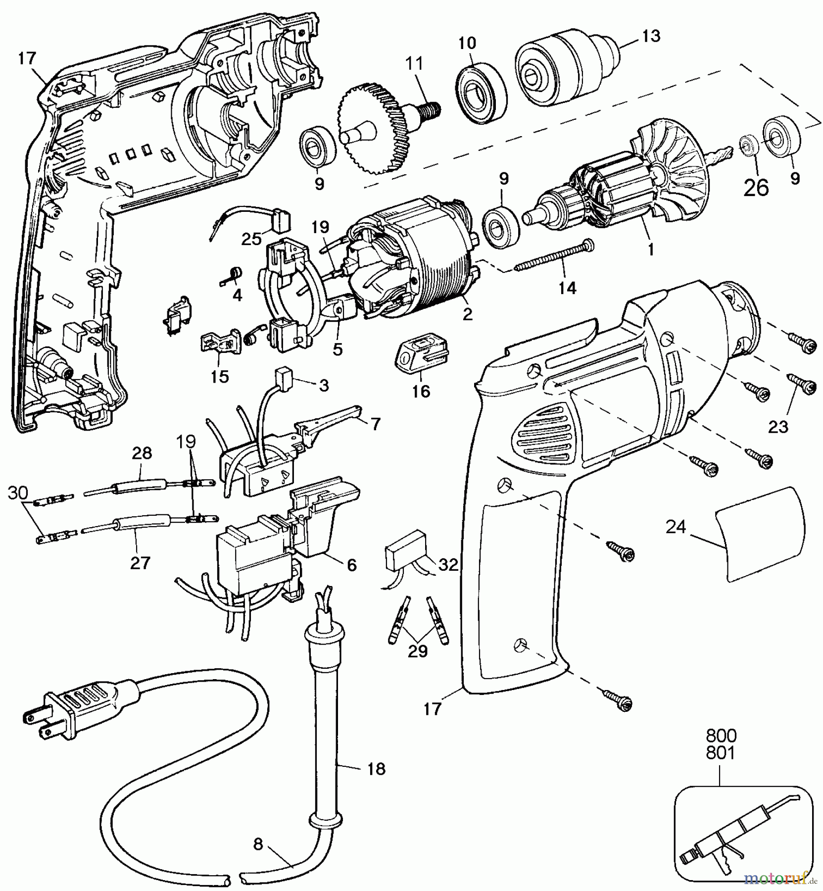
Vous trouverez ici le dessin de la pièce de rechange pour BLACK+DECKER PROFESSIONNELS PERCEUSES, PERCEUSES À COLONNE, TARAUDEUSES KEYLESS CHUCK-AUSTRALIA 1167-AU Seite 1. Sélectionnez la pièce de rechange requise dans la liste des pièces de rechange de votre appareil BLACK+DECKER PROFESSIONNELS PERCEUSES, PERCEUSES À COLONNE, TARAUDEUSES KEYLESS CHUCK-AUSTRALIA 1167-AU Seite 1 et commandez simplement en ligne. De nombreuses pièces de rechange BLACK+DECKER nous gardons en permanence dans notre entrepôt pour vous.


Gestion de qualité
Aidez-nous à améliorer cette page. Informez-nous de toute erreur que vous trouverez.

