CRAFTSMAN 5 HP SNOW THROWER 536.884790 Pièces détachées
536.884790 5 HP SNOW THROWER

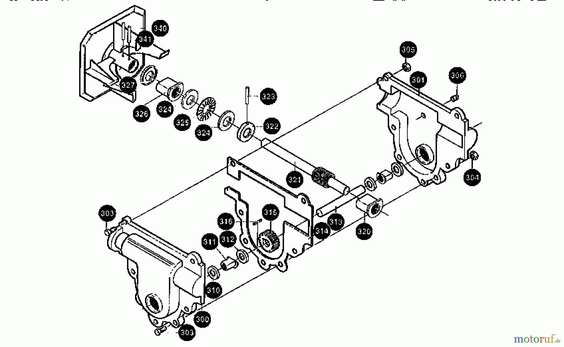
Vous trouverez ici le dessin de la pièce de rechange pour CRAFTSMAN Divers 5 HP SNOW THROWER 536.884790 Seite 4. Sélectionnez la pièce de rechange requise dans la liste des pièces de rechange de votre appareil CRAFTSMAN Divers 5 HP SNOW THROWER 536.884790 Seite 4 et commandez simplement en ligne. De nombreuses pièces de rechange CRAFTSMAN nous gardons en permanence dans notre entrepôt pour vous.
| Pos. | Numéro d'article | Description | |
| 300 | 10577MA | CASE GEAR RH | |
| 301 | 10576MA | CASE GEAR LH | |
| 303 | 710025MA | VIS | |
| 304 | 015X89MA | NUT.25-20 FL | |
| 305 | 703914 | ECROU | |
| 306 | 704213 | CAPSCREW- | |
| 310 | 9566MA | SEAL OIL .75 | |
| 311 | 50304MA | BRNG FL .752 | |
| 312 | 48275MA | RONDELLE | |
| 313 | 340284MA | SHAFT AUGER | |
| 314 | 51279MA | GASKET GEAR | |
| 316 | 703891 | CLE | |
| 320 | 50221MA | BRNG FLNG.50 | |
| 321 | 583125MA | SHAFT WORM I | |
| 322 | 580295MA | COLLAR THRUS | |
| 323 | 454565MA | GOUPILLE | |
| 325 | 50684MA | BRNG ROLL .7 | |
| 340 | 760194E701MA | DISQUE BROYEUR COMPLET | |


Gestion de qualité
Aidez-nous à améliorer cette page. Informez-nous de toute erreur que vous trouverez.

